EasyManua.ls Logo

Zaxis Isaac HD - Input Circuit Diagram; Output Circuit Diagram

Default Icon
75 pages
Print Icon
To Next Page IconTo Next Page
To Next Page IconTo Next Page
To Previous Page IconTo Previous Page
To Previous Page IconTo Previous Page
Loading...
36
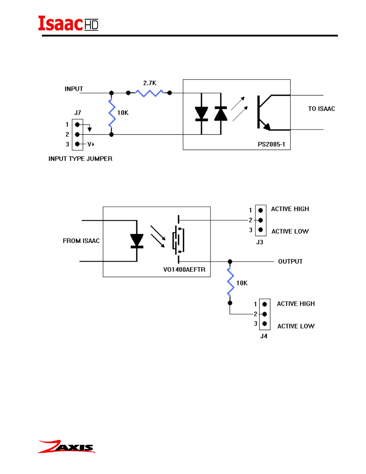
I/O Circuit
Input Circuit Diagram
Output Circuit Diagram

Related product manuals