EasyManua.ls Logo

Zenith A27A11D - Page 28

Zenith A27A11D
119 pages
Print Icon
To Next Page IconTo Next Page
To Next Page IconTo Next Page
To Previous Page IconTo Previous Page
To Previous Page IconTo Previous Page
Loading...
CM150 3-8 GA - IC DESCRIPTIONS
IC DESCRIPTIONS
IC DESCRIPTIONS
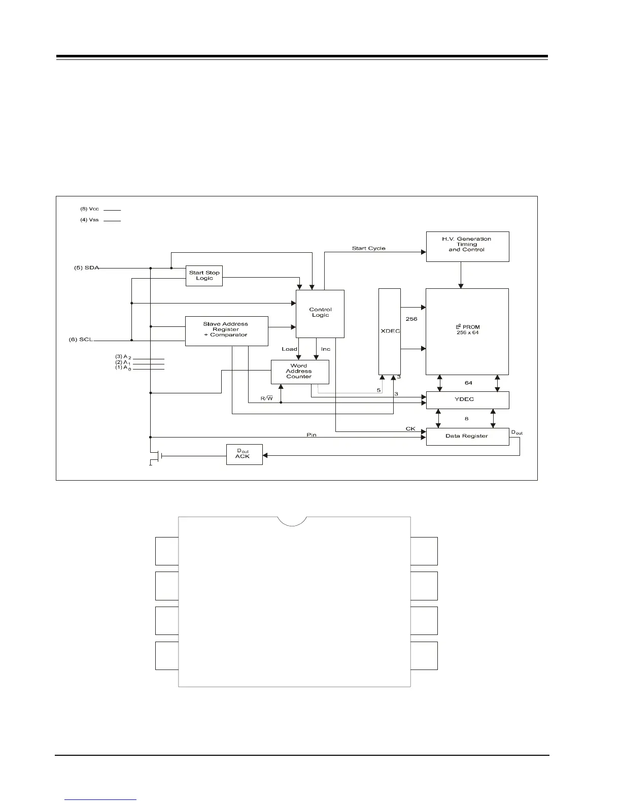
AT24C04
ATMEL
$
$
$
*1'
9&&
:3
6&/
6'$
IC6001
4K Bit Serial EEPROM
221-00745-04
Pin Configuration

Table of Contents

Related product manuals