EasyManua.ls Logo

Zenith A27A11D - Page 30

Zenith A27A11D
119 pages
Print Icon
To Next Page IconTo Next Page
To Next Page IconTo Next Page
To Previous Page IconTo Previous Page
To Previous Page IconTo Previous Page
Loading...
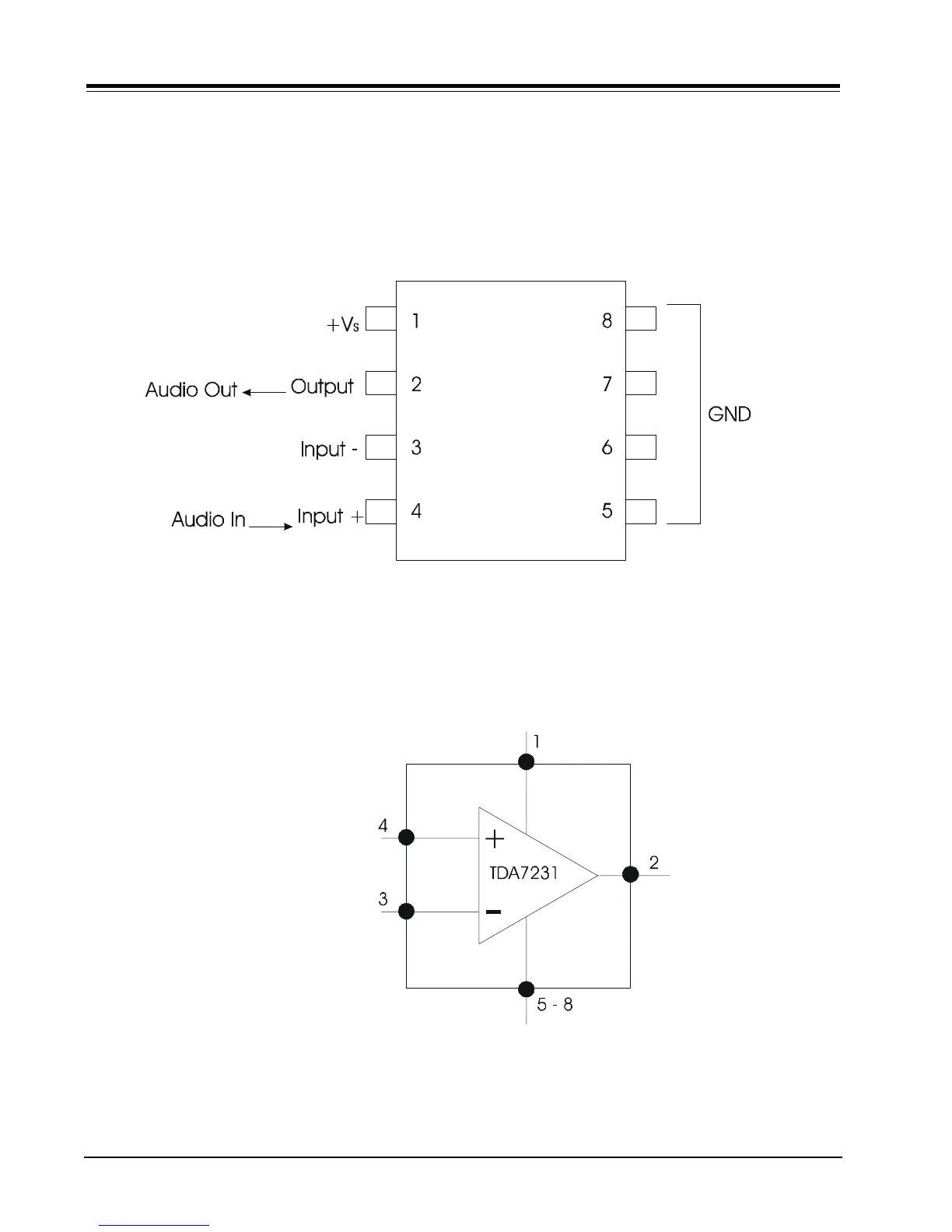
CM150 3-10 GA - IC DESCRIPTIONS
IC DESCRIPTIONS (continued)
Pin Definition
221-00981
Test Circuit

Table of Contents

Related product manuals