EasyManua.ls Logo

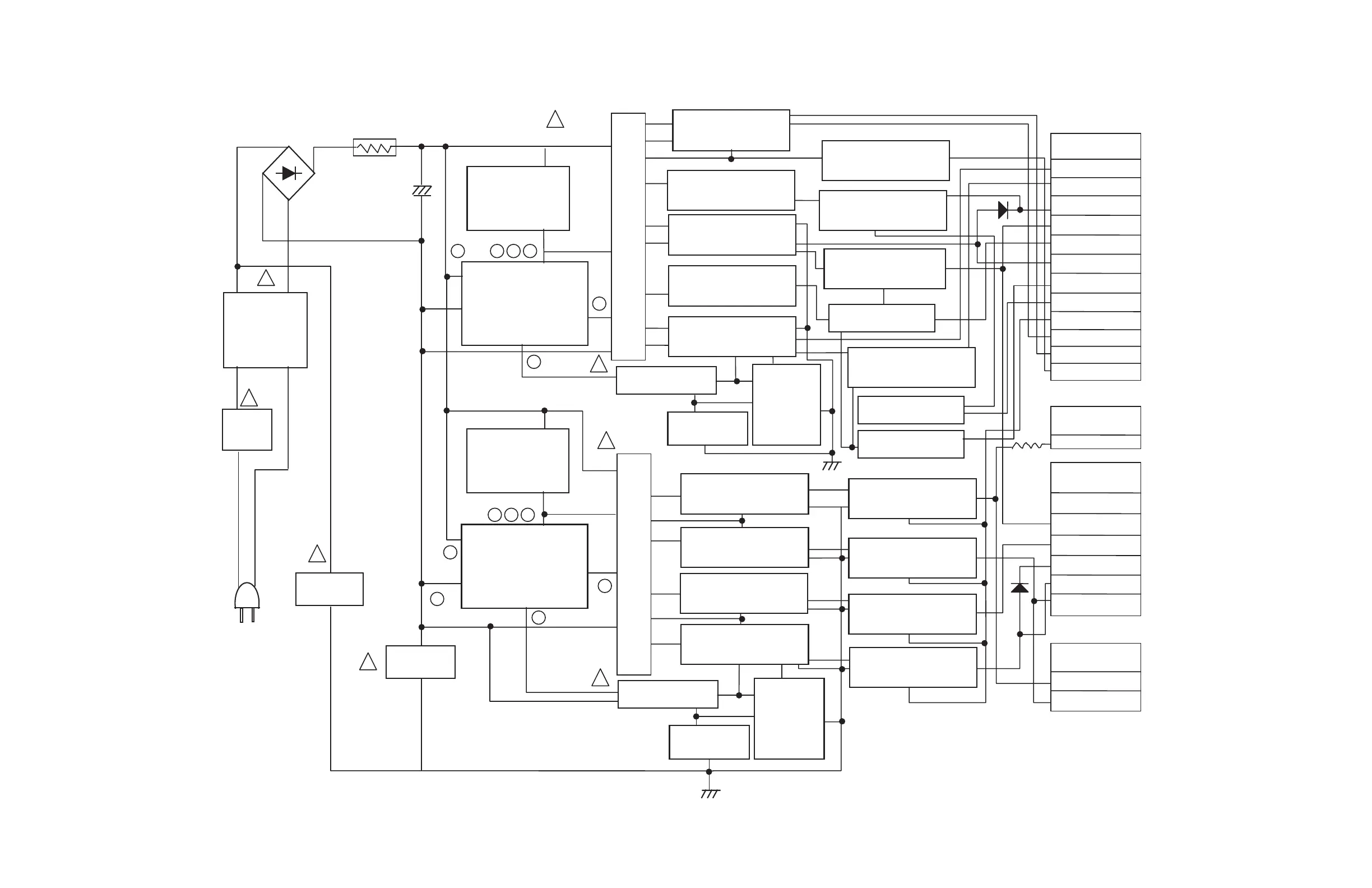
Zenith XBR411 - Block Diagrams; Power(Smps) Block Diagram

Zenith XBR411
165 pages
Print Icon
To Next Page IconTo Next Page
To Next Page IconTo Next Page
To Previous Page IconTo Previous Page
To Previous Page IconTo Previous Page
Loading...
FUSE
(F101)
NOISE FILTER
BLOCK
(C101,L102,
L101, C102)
SNUBBER
BLOCK
(D103,C115,C116
,R112,R115)
DRIVE & S/W BLOCK
(IC104, D104, R113,
C117,C114)
BD101
TH01
Y-CAP
C110
Y-CAP
C111
+
BR BL
(BK)(WH)
2.5V
3.3V
TO VDR
(P102)
C103
12V
5.0V
TO LOADER
(P103)
FD( +)
FD(-)
-28VA
TO VCR
(P101)
!
!
!
!
5.3VA
5.0V
Cap Vcc
12VA( DRUM)
33V
REG 12V
PWR CTL 'H'
HSR 'H'
DVD PWR CTL
5.0V
SNUBBER
BLOCK
(D101,C105
C106,R103)
DRIVE & S/W BLOCK
(IC101, D102, R105,
C108,C112)
T101
T102
!
!
PHOTO COUPLER
(IC102)
ERROR AMP
(IC103)
FEED-BACK
BLOCK
R121,R122,
C121,R123.
R124.R125
R126)
!
RECTIFIER &
SMOOTING BLOCK
(D128,C133,R130)
RECTIFIER &
SMOOTING BLOCK
(D127,C131,L125,C132)
RECTIFIER &
SMOOTING BLOCK
(D125,C139,L127,C140)
RECTIFIER &
SMOOTING BLOCK
(D124,C129)
RECTIFIER &
SMOOTING BLOCK
(D123,C126,L124,C127)
RECTIFIER &
SMOOTING BLOCK
(D122,C123,L123,C125)
PHOTO COUPLER
(IC105)
ERROR AMP
(IC106)
FEED-BACK
BLOCK
R131,R132,
C141,R133.
R161.R162
R163)
!
12V REG & S/W Block
(IC157,R156,C155)
-12V
12V
1.8V
8.7V
TO FAN
(P103)
RECTIFIER &
SMOOTING BLOCK
(D129,C128,R147)
RECTIFIER &
SMOOTING BLOCK
(D130,C137,R146)
5.0V REG & S/W Block
(IC151,R151,C151)
1.8V REG & S/W Block
(IC160,R159,C152)
3.3V REG & S/W Block
(IC154,R154,C154)
RECTIFIER &
SMOOTING BLOCK
(D126,C136,L122,C130)
RECTIFIER &
SMOOTING BLOCK
(D121,C122,L121,C124)
HSR S/W Block
(Q120,ZD153,C135,
R144,R145,D155,C157)
12V REG & S/W Block
(Q126,R150,ZD152,
C156,C153)
5.0V S/W Block
(Q124,R140,R135,R136
D134,C134)
33V S/W Block
(Q123,R143,R134)
HSR CTL Block
(Q121,Q122,R141)
PWR CTL Block
(Q125,R137,R138)
5 6 7 8
5
1
2
3
6 7 8
2
3
LGXBR446 (LGEUS)
3-20 3-21
BLOCK DIAGRAMS
1. POWER(SMPS) BLOCK DIAGRAM

Table of Contents