EasyManua.ls Logo

Zenith XBR411 - Hi-Fi CIRCUIT DIAGRAM

Zenith XBR411
165 pages
Print Icon
To Next Page IconTo Next Page
To Next Page IconTo Next Page
To Previous Page IconTo Previous Page
To Previous Page IconTo Previous Page
Loading...
3-42 3-43
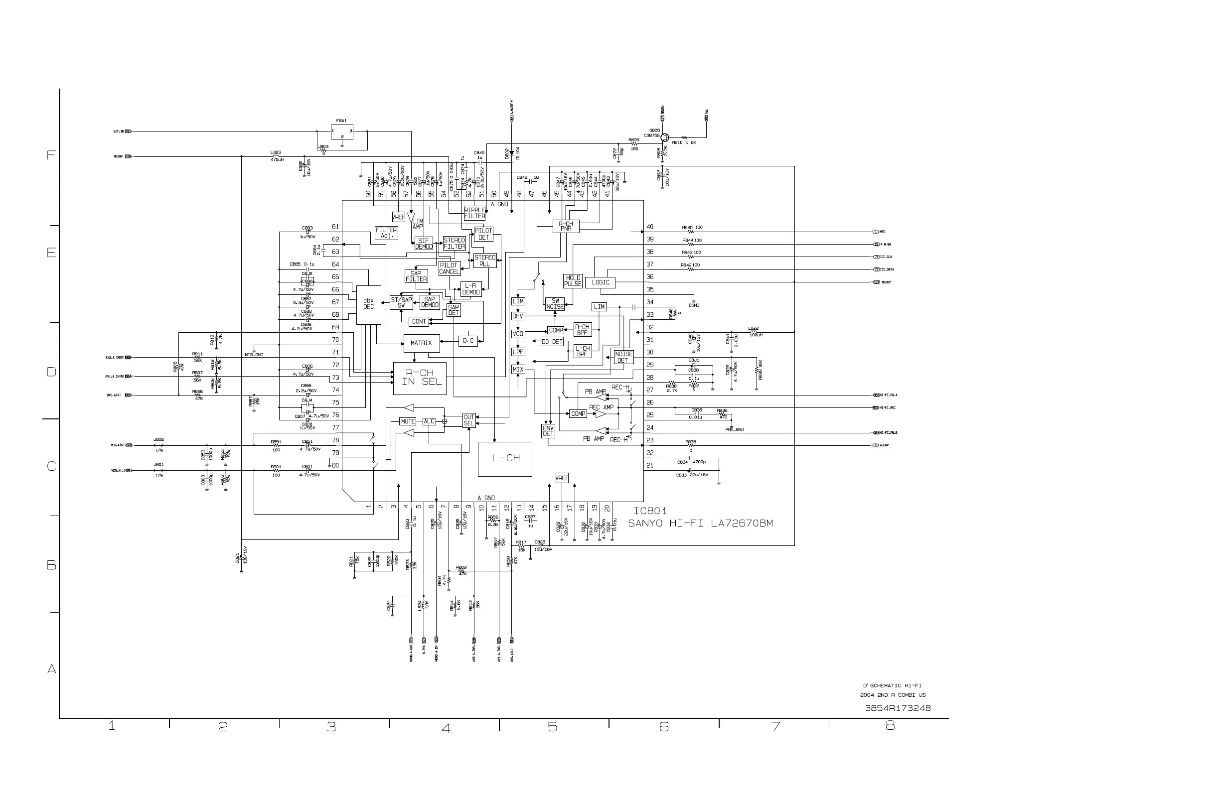
5. Hi-Fi CIRCUIT DIAGRAM

Table of Contents