EasyManua.ls Logo

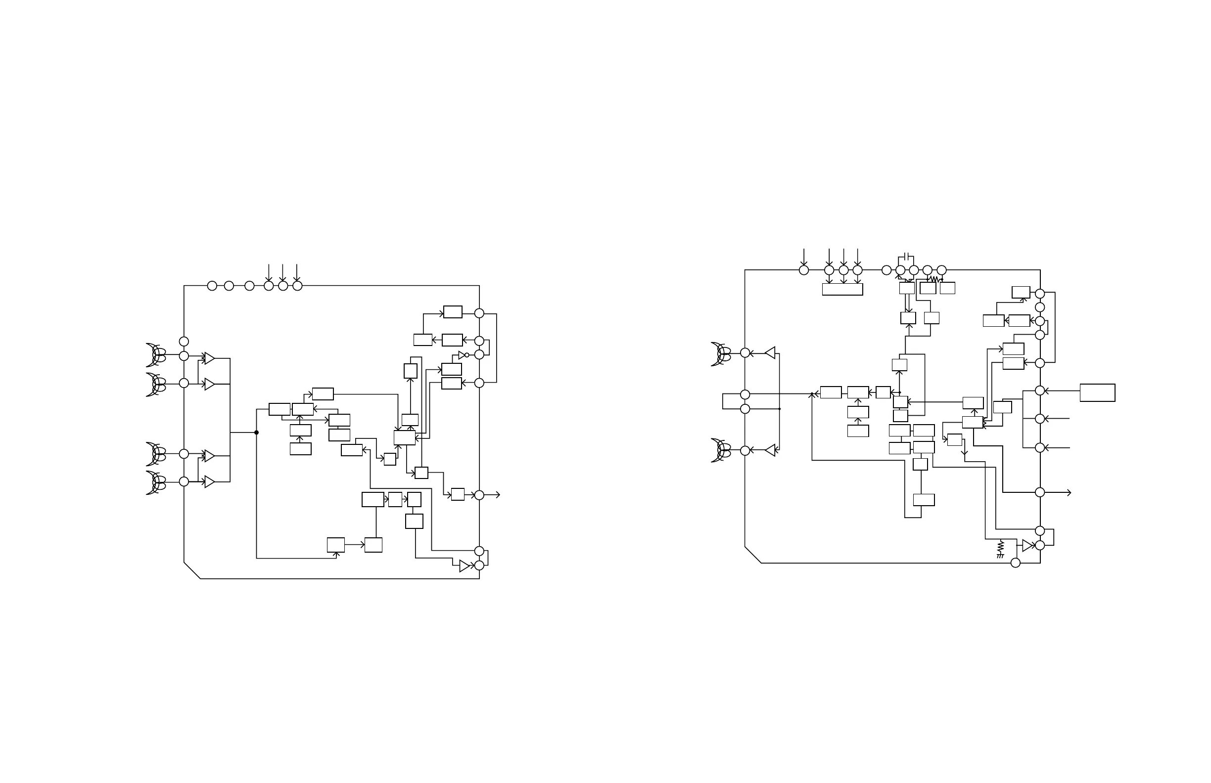
Zenith XBR411 - Y;C Block Diagram

Zenith XBR411
165 pages
Print Icon
To Next Page IconTo Next Page
To Next Page IconTo Next Page
To Previous Page IconTo Previous Page
To Previous Page IconTo Previous Page
Loading...
3-24 3-25
3. Y/C BLOCK DIAGRAM
EP PB 'A'
EP PB 'B'
SP PB 'B'
SP PB 'A'
64
59 58 57 55 54 53
65
67
72
74
ACC
DET
ENV
DET
C-ROT
RF-SW
IN
Y/C ENA
Y/C DATA
Y/C CLOCK
V.OUT
AUDIO
MUTE
HA SW
P
P
P
C-LPF
MAIN
CONV
3.58M
BPF2
ACC
AMP
ACC
DET
CLAMP
Y
LPF
CLAMP
CLAMP
IN
OUT
VCA
CCD
3.58M
BPF1
Y/C
MIX
6dB
DOUBLE
LIM
FM
DEM
SUB
LPF
MAIN
DE-EM
PB
FM-EQ
FM
AGC
CNC
YNR
COMB
4.21M
BPF
SUB
CONV
39
37
36
34
26
22
21
P
B
(PB Mode)
EP REC
SP REC
57
V. H/SW
55
Y/C ENA
54
Y/C DATA
53 51 50 49 48 47
39
38
37
36
34
32
30
28
22
21
20
73
70
69
66
Y/C CLOCK
X-TAL
3.58MHZ
C-LPF
MAIN
CONV
4.21M
BPF
SUB
CONV
DETAIL
ENH
MAIN
EMPHA
REC
FM-EQ
4.7K
FM
MOD
Y
LPF
YNR
COMB
3.58M
BPF1
LINE2
26
V.OUT
DVD
TU/LINE1
VIDEO
AGC
CLAMP
CLAMP
CLAMP
IN
CCD
OUT
VCA
SW
BLOCK
IC302
NL
EMPHA
B-UP
AMP
ACC
AMP
ACC
DET
BGA
REC
APC
REC
APC
320FH
VCO
SLDVX01
SERIAL
DECODER
R
R
B
LGXBR446 (LGEUS)
(REC Mode)

Table of Contents