EasyManua.ls Logo

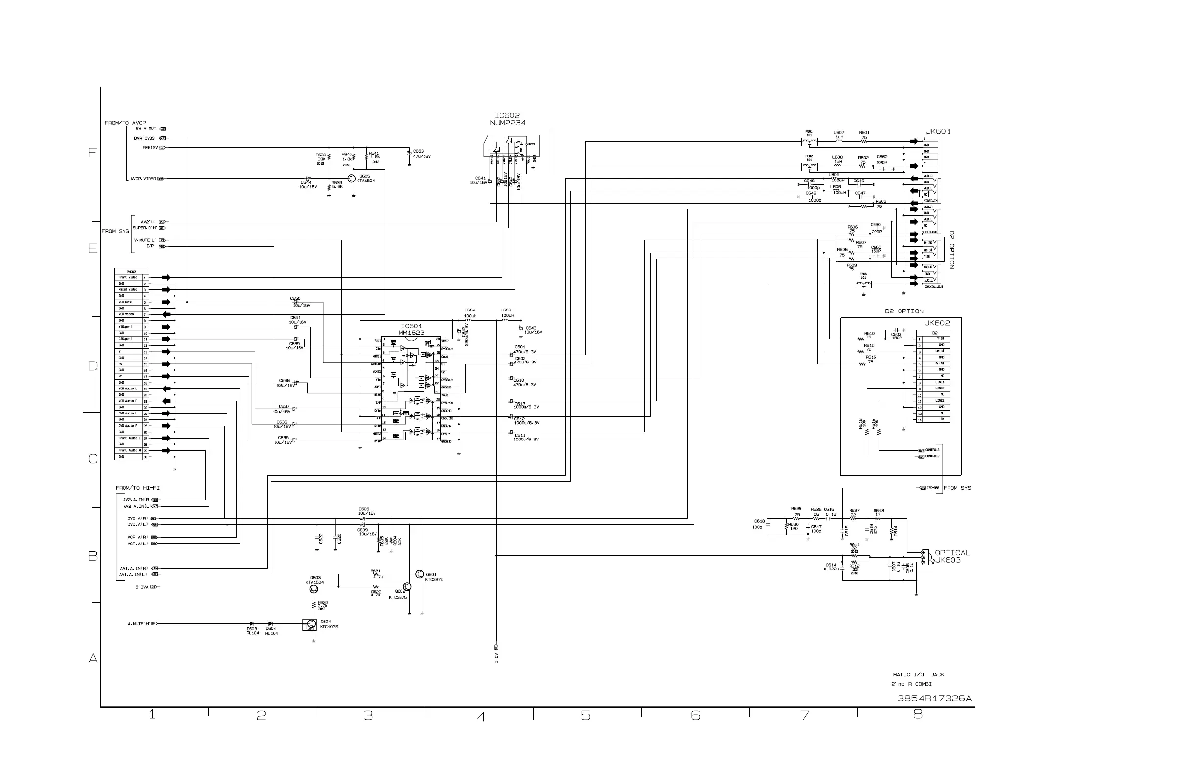
Zenith XBR411 - Jack Circuit Diagram

Zenith XBR411
165 pages
Print Icon
To Next Page IconTo Next Page
To Next Page IconTo Next Page
To Previous Page IconTo Previous Page
To Previous Page IconTo Previous Page
Loading...
3-40 3-41
4. JACK CIRCUIT DIAGRAM

Table of Contents