EasyManua.ls Logo

Zenith XBR411 - Cpu & Control Register Block Diagram

Zenith XBR411
165 pages
Print Icon
To Next Page IconTo Next Page
To Next Page IconTo Next Page
To Previous Page IconTo Previous Page
To Previous Page IconTo Previous Page
Loading...
3-70
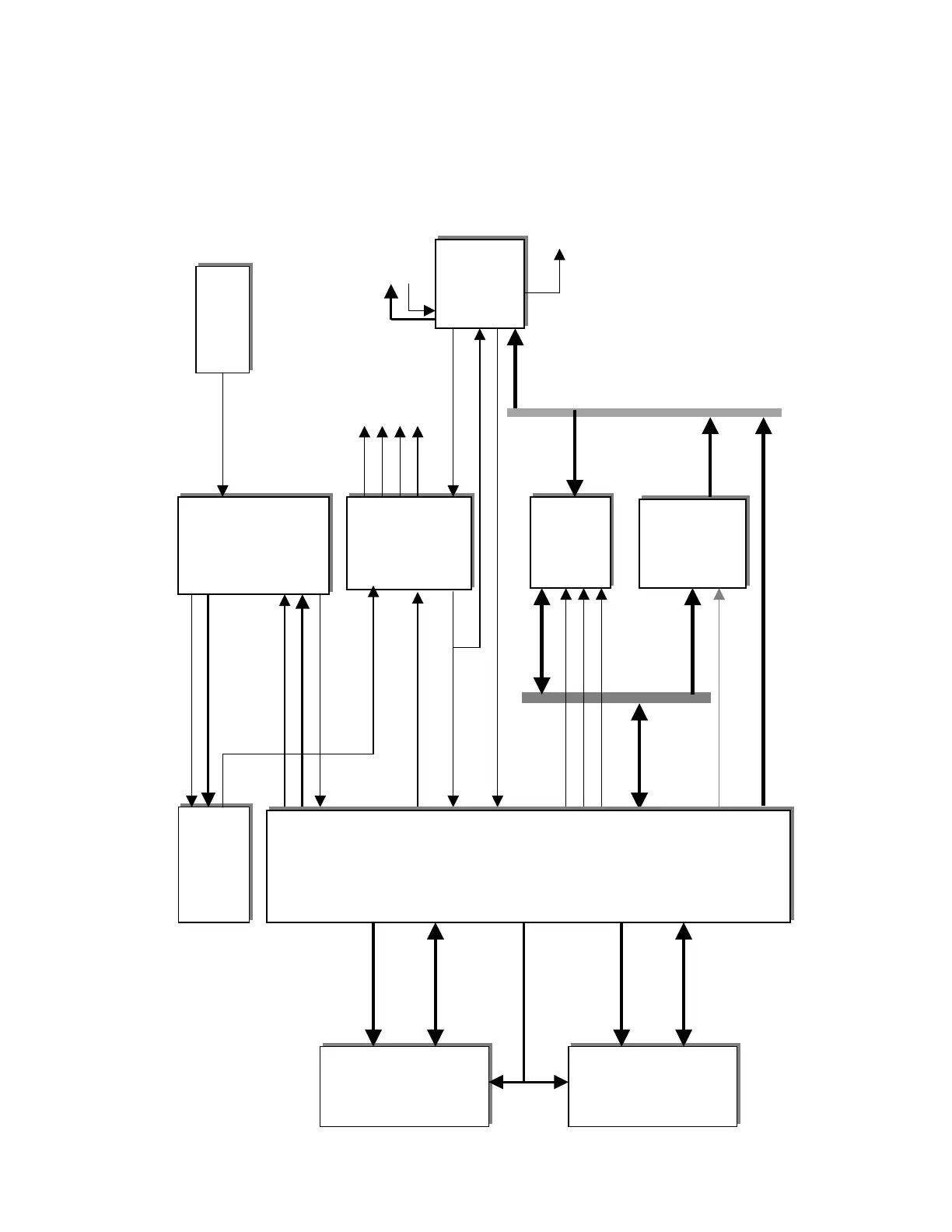
4. CPU & Control Register BLOCK DIAGRAM
Flash
Memory
IC301
Flash
Memory
IC301
HD[15:0]
HD[15:0]
BA[21:6]
E5_ALE
BA[5:1,22]
BA[20:1]
FCS0
E5_WEL
E5_OE
RST
GEN
Block
RST
GEN
Block
/SRESET
E5_RST
/RST_SMSC
Inverter
IC409
Inverter
IC409
BA[21:20]
IRQ
Video
Contr ol
Block
Video
Contr ol
Block
S_JACK_DET
/BA[ 2 :20]
SMSC_IRQ
AV_RST
/RST_VDEC
/RST_VENC
/RST_PHY
/RST_AUDIO
Connector PN302
Connector PN302Connector PN302
Connector PN302
Connector PN304
Connector PN304Connector PN304
Connector PN304
I/P
D_CONT
VDR_RESET_L
INT_PROG
D_CTR
S_DET_H
E5 BGA308
E5 BGA308E5 BGA308
E5 BGA308
DMN8602
DMN8602DMN8602
DMN8602
IC 0
IC 0IC 0
IC 0
HD[0:15]
E5_MA[1:5,22:26]
Buffe r
IC406
DDR
Memory
IC1202
DDR
Memory
IC1203
SDRAM_A[15:0]
CLKE,SDRAM_CLK,
RAS,CAS,WE
SDRAM_DQS[3:2]
SDRAM_DQM[3:2]
SDRAM_DQS[1:0]
SDRAM_DQM[1:0]
SDRAM_DQ[15:0]
SDRAM_DQ[31:16]

Table of Contents