EasyManua.ls Logo

ABB FDNA-01 - State Machine

ABB FDNA-01
168 pages
Print Icon
To Next Page IconTo Next Page
To Next Page IconTo Next Page
To Previous Page IconTo Previous Page
To Previous Page IconTo Previous Page
Loading...
Communication profiles 93
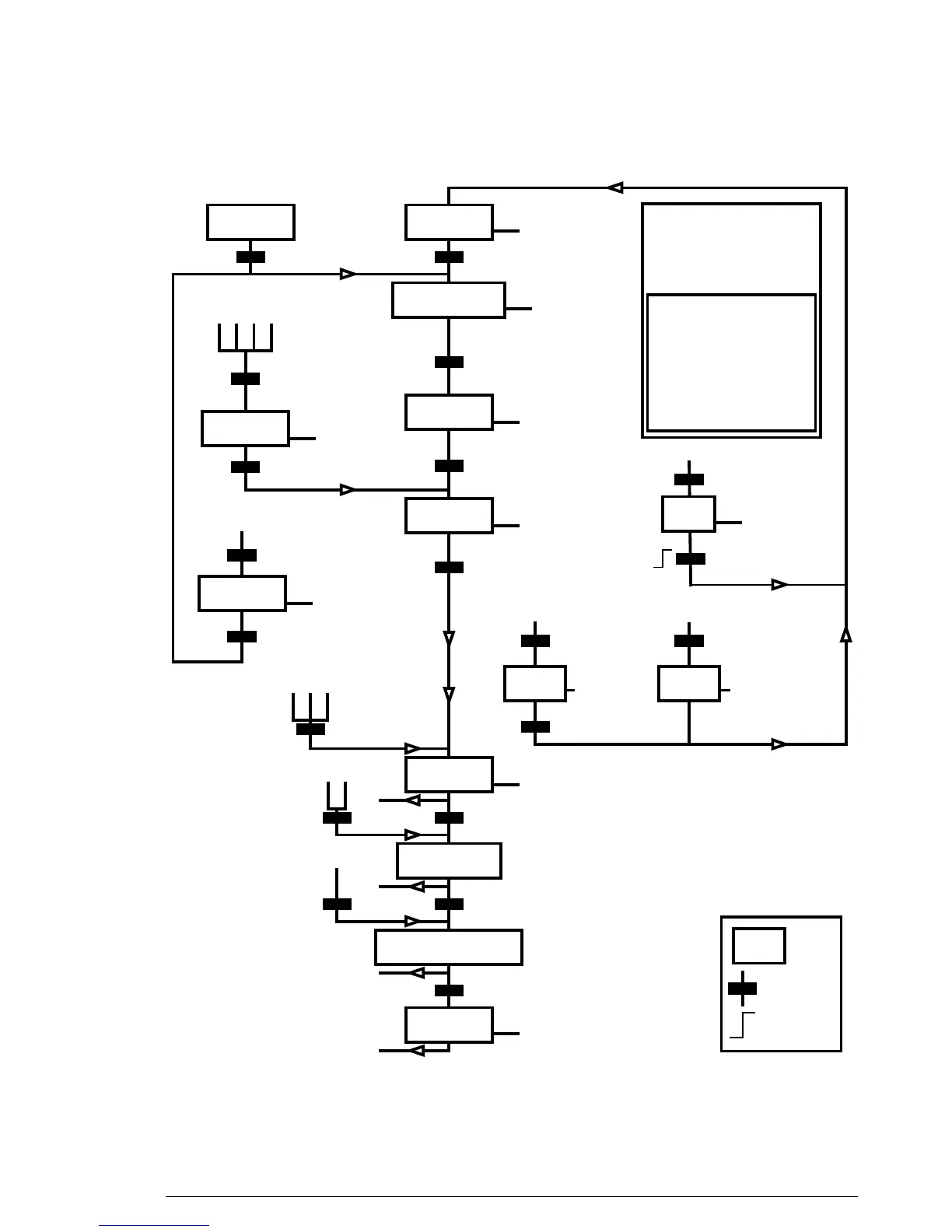
State machine
The state machine for the ABB Drives communication profile is
shown below.
MAINS OFF
Power ON (CW Bit0=0)
(SW Bit6=1)
(SW Bit0=0)
from any state
(CW=xxxx x
1
xx xxxx x
110
)
(SW Bit1=1)
n(f)=0 / I=0
(SW Bit2=0)
ABCD
(CW Bit3=0)
operation
inhibited
OFF1
(CW Bit0=0)
(SW Bit1=0)
(SW Bit0=1)
(CW Bit3=1
and
SW Bit12=1)
CD
(CW Bit5=0)
(SW Bit2=1)
(SW Bit5=0)
from any state from any state
Emergency Stop
OFF3
(CW Bit2=0)
n(f)=0 / I=0
Emergency OFF
OFF2
(CW Bit1=0)
(SW Bit4=0)
B
BCD
(CW Bit4=0)
(CW=xxxx x
1
xx xxx
1 1111
)
(CW=xxxx x
1
xx xx
11 1111
)
D
(CW Bit6=0)
A
C
(CW=xxxx x
1
xx x
111 1111
)
(SW Bit8=1)
D
from any state
Fault
(SW Bit3=1)
(CW Bit7=1)
(CW=xxxx x
1
xx xxxx x
111
)
(CW=xxxx x
1
xx xxxx
1111
and SW Bit12=1)
ABB Drives
Communication
Profile
SWITCH-ON
INHIBITED
NOT READY TO
SWITCH ON
READY TO
SWITCH ON
READY TO
OPERATE
OPERATION
INHIBITED
OFF1
ACTIVE
OPERATION
ENABLED
RFG: OUTPUT
ENABLED
RFG: ACCELERATOR
ENABLED
OPERATION
OFF2
ACTIVE
FAULT
OFF3
ACTIVE
state
condition
rising edge
the bitof
CW = Control word
SW = Status word
n = Speed
I = Input Current
RFG = Ramp Function
Generator
f= Frequency

Table of Contents

Other manuals for ABB FDNA-01

Related product manuals