EasyManua.ls Logo

ABB REG670 - Transformer Winding, Earthed through Zig-Zag Earthing Transformer

ABB REG670
780 pages
To Next Page IconTo Next Page
To Next Page IconTo Next Page
To Previous Page IconTo Previous Page
To Previous Page IconTo Previous Page
Loading...
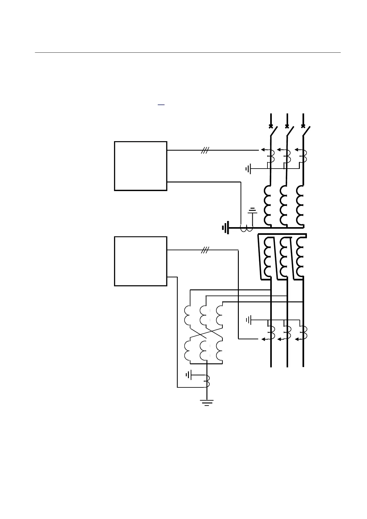
7.4.2.2 Transformer winding, earthed through zig-zag earthing transformer
A common application is for low reactance earthed transformer where the earthing is
through separate zig-zag earthing transformers. The fault current is then limited to
typical 800 to 2000 A for each transformer. The connection for this application is
shown in figure
73.
REFPDIF
- 1
I3PW1CT1
I3P
IdN/I
Protected
winding W1
I3PW2CT1
I3P
IdN/I
REFPDIF
- 2
Protected
winding W2
Earthing
transformer
IEC09000110-4-EN.vsd
IEC09000110-4-EN V2 EN
Figure 73: Connection of the low impedance Restricted earth-fault function
REFPDIF for a zig-zag earthing transformer
1MRK 502 071-UEN - Section 7
Differential protection
Generator protection REG670 2.2 IEC and Injection equipment REX060, REX061, REX062 177
Application manual

Table of Contents

Other manuals for ABB REG670

Related product manuals