EasyManua.ls Logo

ABB REG670 - Description of Configuration C30

ABB REG670
780 pages
To Next Page IconTo Next Page
To Next Page IconTo Next Page
To Previous Page IconTo Previous Page
To Previous Page IconTo Previous Page
Loading...
Auxiliary Bus
Y
Unit Step-up Trafo
Auxiliary Trafo
Excitaon Trafo
CC RBRF
50BF
3I>BF
EF4 PTOC
51N_67N
4(IN>)
ROV2 PTOV
59N
2(U0>)
SA PTUF
81U
f<
SA PTUF
81
f<
SA PTOF
81O
f>
SA PTOF
81
f>
UV2 PTUV
27
2(3U<)
OV2 PTOV
59
2(3U>)
V MSQI
MET
Usqi
V MMXU
MET
U
CC RBRF
50BF
3I>BF
FUF SPVC
U>/I<
ROV2 PTOV
59N
2(U0>)
GOP PDOP
32 P>
GUP PDUP
37
P<
GS PTTR
49S θ>
C MMXU
MET
I
GEN PDIF
87G
3Id/I>
ZGV PDIS
21
Z<
CV GAPC
64R
Re<
CV GAPC
2(I>/U<)
REG670 B30 Generator differential + backup protection
24AI (9I+3U, 9I+3U)
LEX PDIS
40
Φ <
DRP RDRE
DFR/SER
DR
OEX PVPH
24
U/f>
ETP MMTR
MET
W/Varh
CV MMXN
MET P/Q
+
RXTTE4
AEG PVOC
50AE
U/I>
ROV2 PTOV
59N
2(U0>)
VN MMXU
MET UN
STEF PHIZ
59THD
U3d/N
SMP PTRC
94
10
OC4 PTOC
51_67
4(3I>)
GEN_QA1
AUX_QA1
HV_QA1
HV_CT
LV_VT_3U0
GEN_TRM_VT
GEN_TRM_CT
GEN_SP_CT
GEN_SP_VT
OC4 PTOC
51_67
4(3I>)
ROT_INJ_VT
ROT_INJ_CT
AUX_CT
EXC_CT
HV_NCT
Y
Y
Y
G
OC4 PTOC
51_67
4(3I>)
C MSQI
MET
Isqi
C MMXU
MET
I
C MSQI
MET
Isqi
C MMXU
MET I
C MSQI
MET
Isqi
C MMXU
MET
I
C MMXU
MET
I
OC4 PTOC
51_67
4(3I>)
NS2 PTOC
46 I2>
C MSQI
MET
Isqi
=IEC11000071=6=en=Original.vsd
SES RSYN
25
SC/VC
CCS SPVC
87
INd/I
STTI PHIZ
64S
R<
OOS PPAM
78
Ucos
T3W PDIF
87T
3Id/I>
REF PDIF
87N
IdN/I
T2W PDIF
87T
3Id/I>
ROTI PHIZ
64R R<
HZ PDIF
87
Id>
SA PFRC
81
df/dt<>
Optional Functions
SDE PSDE
67N IN>
NS4 PTOC
46I2 4(I2>)
PSP PPAM
78
Ucos
CC PDSC
52PD
PD
PH PIOC
50 3I>>
EF PIOC
50N
IN>>
VDC PTOV
60
Ud>
Q CBAY
3
Control
GR PTTR
49R
θ>
TCM YLTC
84
↑↓
VD SPVC
60
Ud>
FTA QFVR
81A f<>
VR PVOC
51V
2(I>/U<)
Q CRSV
3
Control
S CILO
3
Control
S CSWI
3
Control
S XSWI
3
Control
ZMH PDIS
21 Z<
TR PTTR
49
θ>
ZDM RDIR
21D Z<_>
Other Functions available from the function library
S SCBR
Control
S SCBR
Control
S SCBR
Control
S SCBR
Control
S SCBR
Control
S SCBR
Control
S SCBR
Control
S SCBR
Control
S SCBR
Control
S SIMG
63
S SIML
71
S XCBR
3 Control
PMU REP
IEC11000071 V6 EN
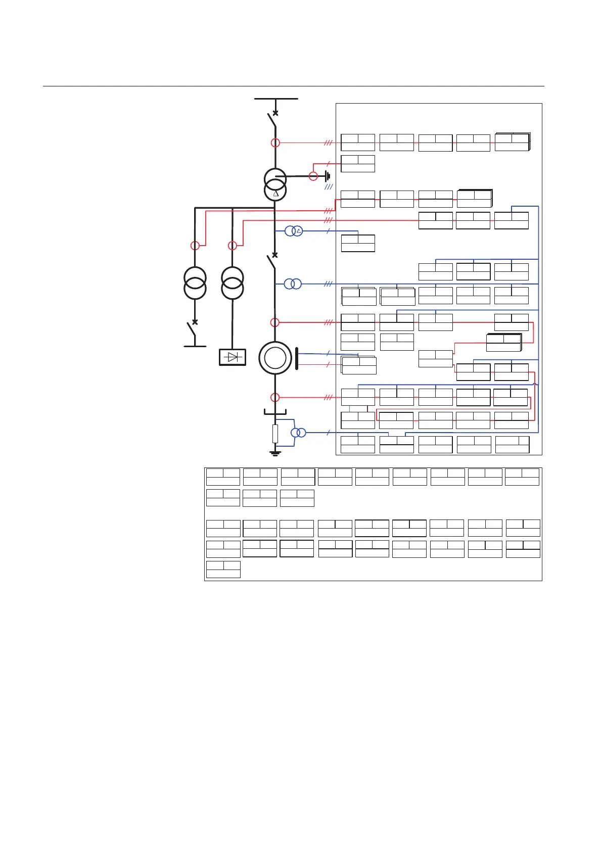
Figure 9: Enhanced generator protection application with generator differential
and back-up protection, including 24 analog inputs in full 19" case
size. Optional pole slip protection, 100% stator earth fault protection
and overall differential protection can be added.
3.1.1.3 Description of configuration C30
REG670 C30 configuration is used in applications where generator-transformer block
protection within one IED is required. REG670 C30 is always delivered in 1/1 of 19"
case size. Thus 24 analog inputs are available. This configuration includes generator
Section 3 1MRK 502 071-UEN -
Configuration
60 Generator protection REG670 2.2 IEC and Injection equipment REX060, REX061, REX062
Application manual

Table of Contents

Other manuals for ABB REG670

Related product manuals