EasyManua.ls Logo

ABB REG670 - Page 93

ABB REG670
780 pages
To Next Page IconTo Next Page
To Next Page IconTo Next Page
To Previous Page IconTo Previous Page
To Previous Page IconTo Previous Page
Loading...
L1
IED
L2
L3
6.6
3
110
3
kV
V
+3Uo
6.6
3
110
3
kV
V
6.6
3
110
3
kV
V
1
2
4
3
# Not Used
5
IEC06000601-4-en.vsdx
# Not Used
# Not Used
SMAI2
BLOCK
REVROT
^GRP2L1
^GRP2L2
^GRP2L3
^GRP2N
AI3P
AI1
AI2
AI3
AI4
AIN
IEC06000601 V4 EN
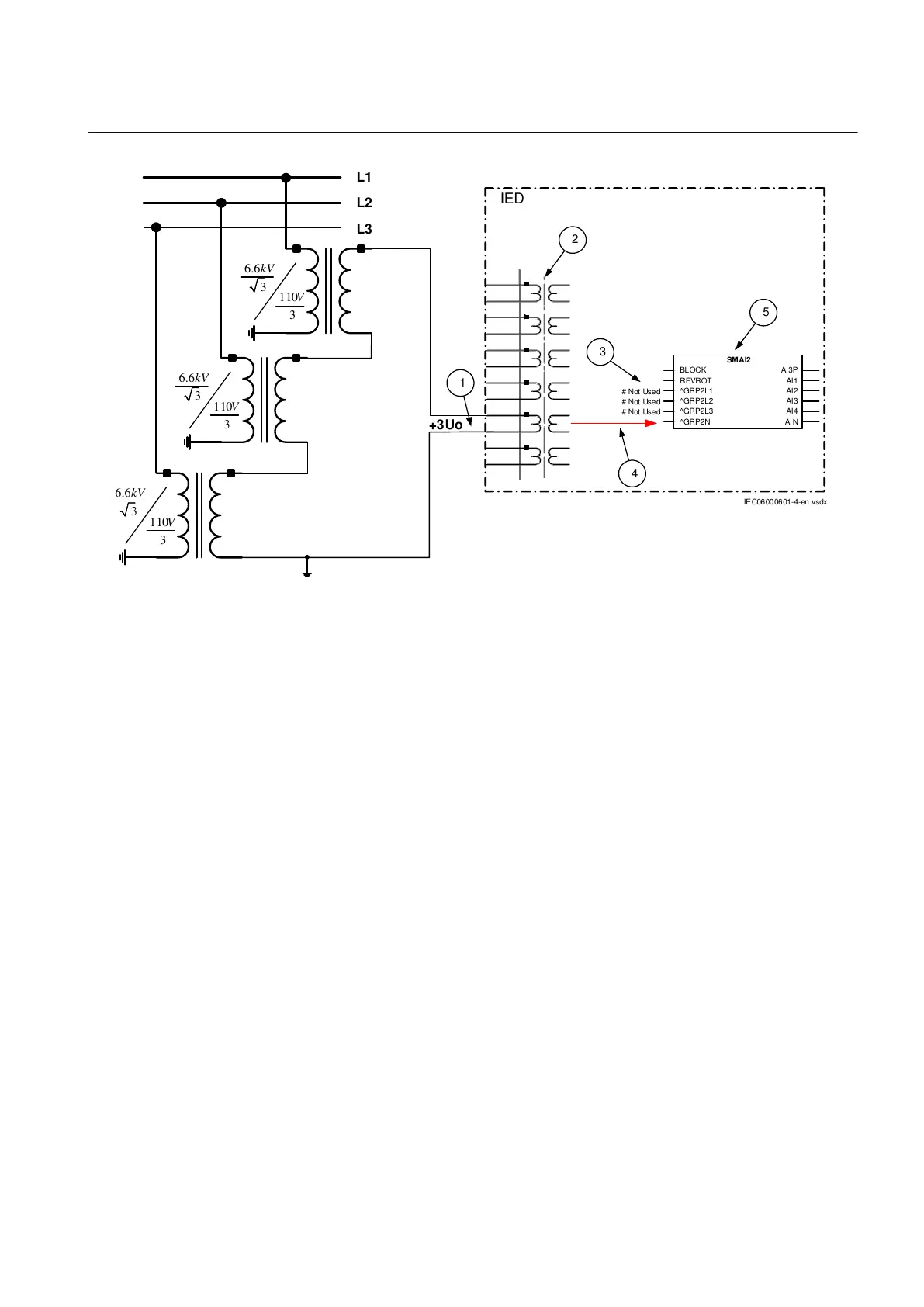
Figure 28: Open delta connected VT in high impedance earthed power system
1MRK 502 071-UEN - Section 4
Analog inputs
Generator protection REG670 2.2 IEC and Injection equipment REX060, REX061, REX062 87
Application manual

Table of Contents

Other manuals for ABB REG670

Related product manuals