EasyManua.ls Logo

ABB TTR200 - Pin Configuration

ABB TTR200
40 pages
Print Icon
To Next Page IconTo Next Page
To Next Page IconTo Next Page
To Previous Page IconTo Previous Page
To Previous Page IconTo Previous Page
Loading...
Electrical connection
14 TTR200 OI/TTR200-EN
Pos: 14.5 /Überschri ften/1.1/1-spa ltig/A - C/Anschlussbe legung @ 16\mod_1199260233 671_3101.doc @ 146854
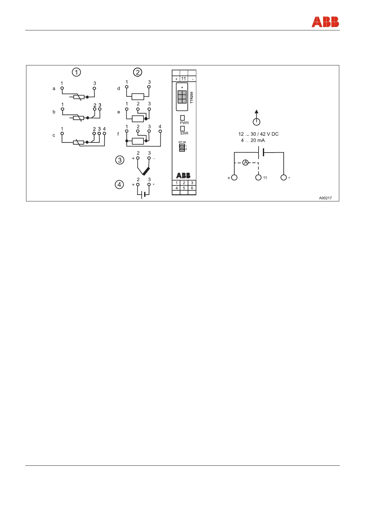
5.2 Pin configuration
Pos: 14.6 /Überschri ften/1.1.1/1-spal tig/Versorgungs- / Sensoranschluss @ 16\ mod_1199260387640_3101. doc @ 146877
5.2.1 Supply voltage / sensor connection
Pos: 14.7 /Elektri scher Anschluss/Temper atur/TTR200/Anschl ussplan (BA) @ 18\mod_12 03682458036_3101.doc @ 164662
Fig. 3: *(planned local configuration interface/inoperable)
1 Potentiometer: 0 … 500 or 0 … 5000
a Potentiometer, 2-wire circuit
b Potentiometer, 3-wire circuit
c Potentiometer, 4-wire circuit
2 RTD resistance sensors (e.g., Pt100)
d RTD, 2-wire circuit
e RTD, 3-wire circuit
f RTD, 4-wire circuit
3 Thermocouple
Depending on the sensor model, a variety of line materials can be used
for sensor connections. The integrated reference point makes it possible
to directly connect thermal compensating lines.
4 Voltage measurement
Pos: 14.8 /Elektri scher Anschluss/Temper atur/TTR200/Anmerkun g zu Anschlussplan ( BA) @ 18\mod_1205827740529 _3101.doc @ 170993
Note
Terminal 11: Measurement of 4 … 20 mA output current without opening / interrupting the current loop (see chapter
5.3 Block diagram )
PWR / green LED: Supply voltage display
ERR / red LED: sensor, sensor lead & unit fault signaling
DIP switch 1: on -> Hardware write protection is enabled
DIP switch 2: no function
Pos: 14.9 /====== = Seitenumbruch ======= = @ 0\mod_1126532365768_3101.doc @ 3830

Table of Contents

Other manuals for ABB TTR200

Related product manuals