EasyManua.ls Logo

Abicor Binzel CAT 3 - Emergency Information; Product Description; Technical Data

Abicor Binzel CAT 3
Print Icon
To Next Page IconTo Next Page
To Next Page IconTo Next Page
To Previous Page IconTo Previous Page
To Previous Page IconTo Previous Page
Loading...
EN - 7
CAT 3 3 Product description
These markings must always be legible. They must not be covered, obscured,
painted over or removed.
2.6 Emergency information
In case of emergency, immediately disconnect the following supplies:
•Power
Further measures can be found in the operating instructions for the power
source or the documentation for other peripheral devices.
3 Product description
3.1 Technical data
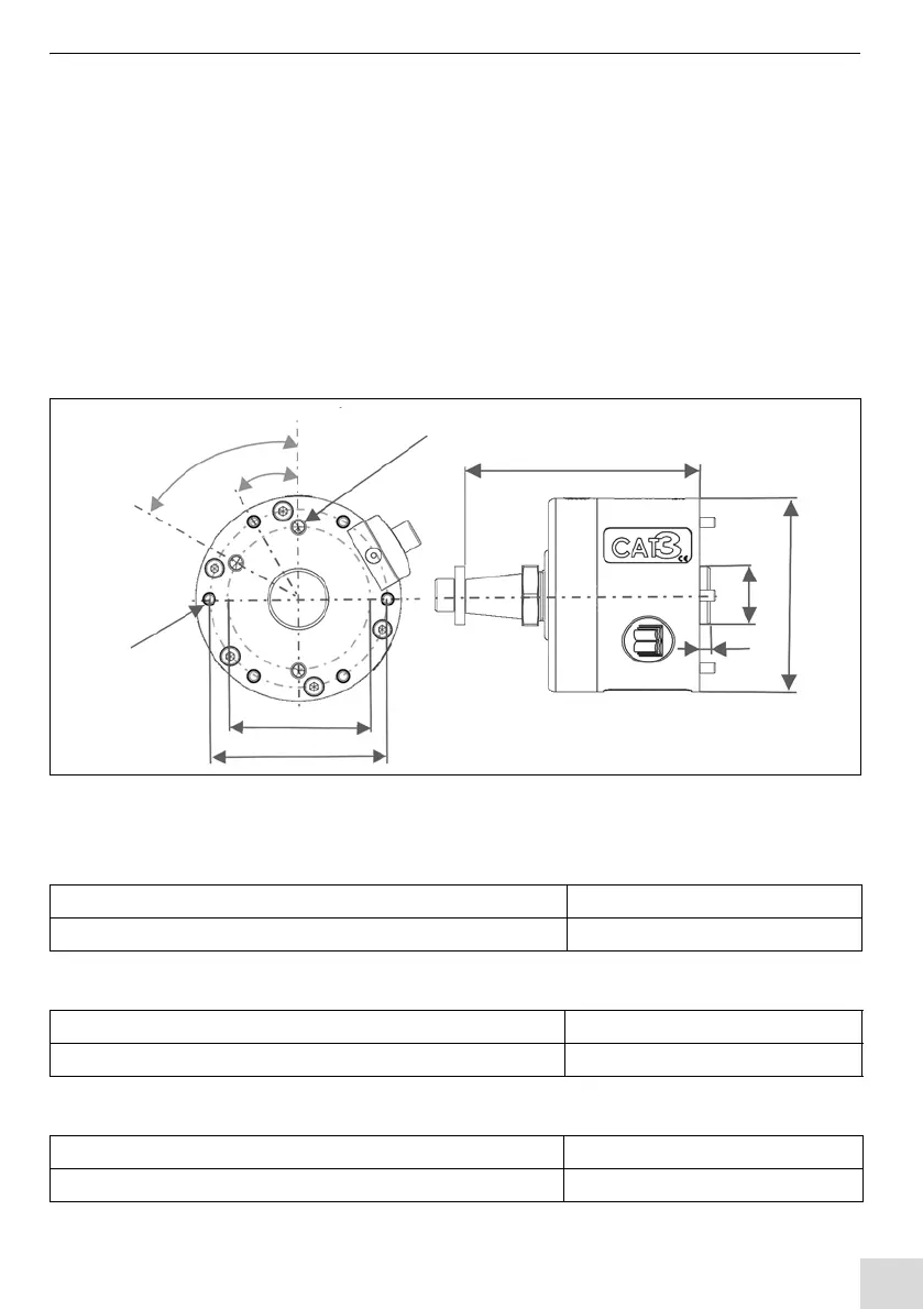
Fig. 2 Dimensions
3
x
ø
5
F
7
,
8
m
m
ø
54
ø
67
6
x
ø
4
.5
6
0
°
3
0
°
4
93,6
ø
23
ø
77
l
o
w
Ambient temperature -10°C to 55°C
Relative humidity Up to 70% at 20°C
Tab. 1 Ambient conditions during operation
Ambient temperature -10°C to 55°C
Relative humidity Up to 70% at 20°C
Tab. 2 Ambient conditions for shipment and storage
CAT 3 without bracket 0.96 kg
CAT 3 with bracket 1.16 kg
Tab. 3 Weight

Table of Contents