EasyManua.ls Logo

Abus ModuVis Set M - Accordement Dune Gache Existante a Lecran de la Platine de Rue

Abus ModuVis Set M
Print Icon
To Next Page IconTo Next Page
To Next Page IconTo Next Page
To Previous Page IconTo Previous Page
To Previous Page IconTo Previous Page
Loading...
203
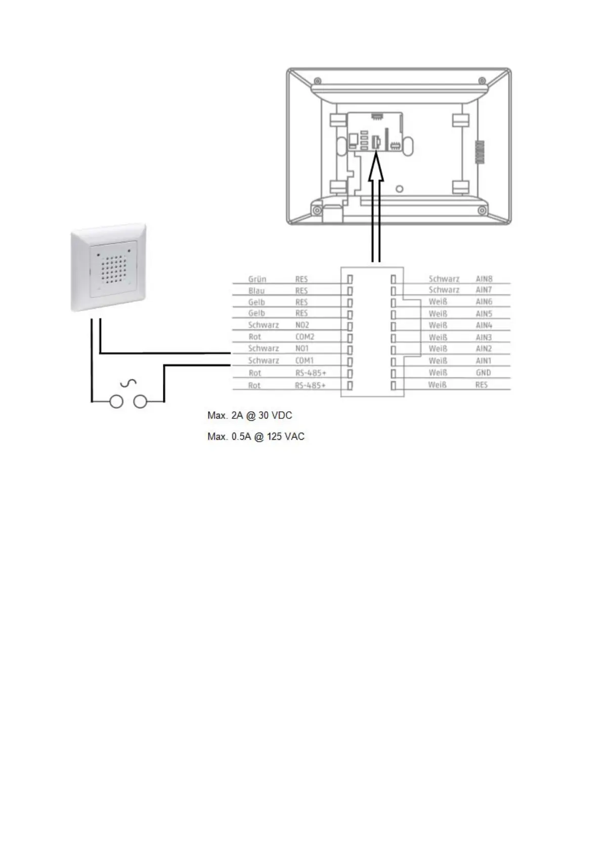
9.6 Raccordement d’une gâche existante à l’écran de la platine de rue
Pour ouvrir une porte d’appartement séparément de la porte d’entrée principale, l’écran permet
d’activer une porte supplémentaire à l’aide d’une sortie relais (relais 2). Le relais peut être soumis
à une charge maximale de 2 A 30 VDC / 0,5 A 125 AC.
Pour utiliser le relais sur l’écran, activez au préalable le « Relais 2 » dans le menu de l’écran
sous « Configuration de relais ». L’écran affiche maintenant un symbole de clé supplémentaire
avec l’identifiant « 3 ». Les identifiants « 1 » et « 2 » sont réservés aux relais du module vidéo de
porte.
Le relais « 3 » de l’écran ne peut être activé directement que sur l’écran et non pas avec
l’application ABUS LINK STATION.

Table of Contents

Related product manuals