EasyManua.ls Logo

Abus ModuVis Set M - Bestaande Deuropeners Op de Monitor Van Deurstation Aansluiten

Abus ModuVis Set M
Print Icon
To Next Page IconTo Next Page
To Next Page IconTo Next Page
To Previous Page IconTo Previous Page
To Previous Page IconTo Previous Page
Loading...
276
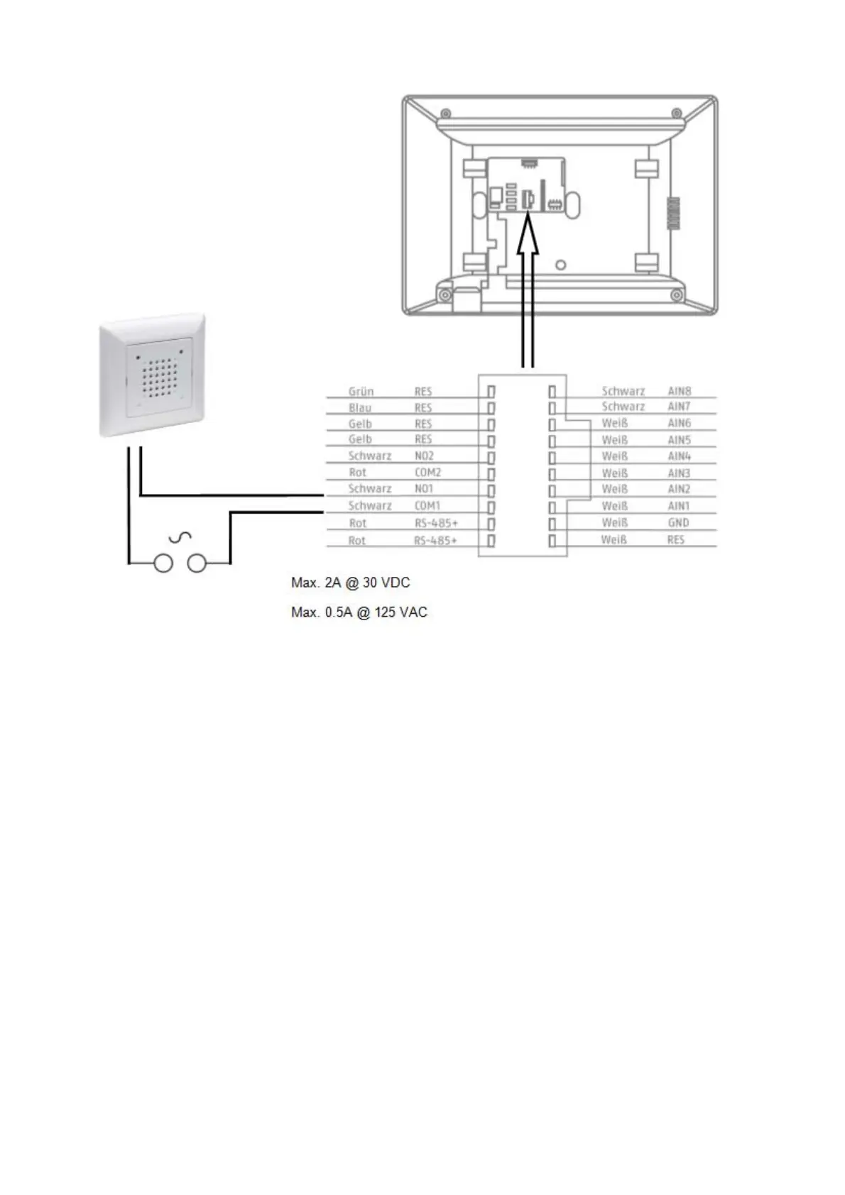
9.6 Bestaande deuropeners op de monitor van deurstation aansluiten
Om een appartementsdeur afzonderlijk van een hoofdingang te openen, biedt de monitor de
mogelijkheid om een andere deur via een relaisuitgang (relais 2) aan te sturen. Het relais mag
max. 2A 30VDC / 0,5A 125AC worden belast.
Om het relais op de monitor te gebruiken, moet u eerst " relais 2 " in het menu van de monitor
onder "Relaisconfiguratie" activeren. De monitor geeft nu een ander "sleutel"-symbool weer met
een "3" als identificatie. De identificatienummers "1" en "2" zijn gereserveerd voor de relais van
de deurvideomodule.
Het relais "3" op de monitor kan alleen rechtstreeks via de monitor worden geschakeld, niet via
de ABUS LINK STATION App.

Table of Contents

Related product manuals