EasyManua.ls Logo

Advanced Control C220 Series - Page 36

Default Icon
225 pages
Print Icon
To Next Page IconTo Next Page
To Next Page IconTo Next Page
To Previous Page IconTo Previous Page
To Previous Page IconTo Previous Page
Loading...
Mechanical and Electrical Installation
C220/C420 Mechanical and Electrical Installation
35
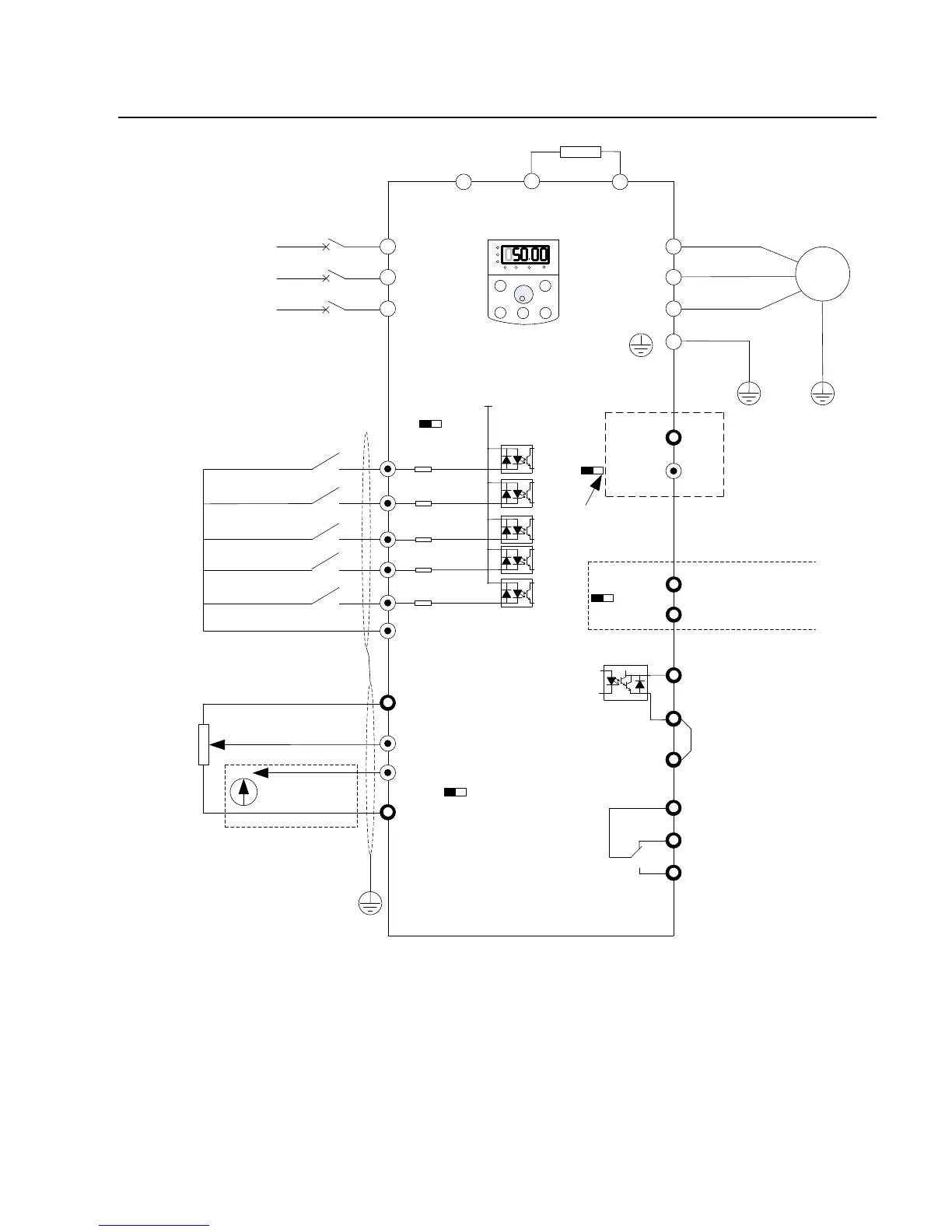
Brake resistor
M
U
V
W
R
S
T
AC three-
phase 380V
power supply
DI1
DI2
DI3
DI4
DI5
COM
AI1
AI2
GND
485+
485-
485 Interface
AO1
GND
Y1
COM
CME
T/A
T/B
T/C
Relay
output
Multifunctional digital input terminal 1
+10V
0~10V/0~20mA
ON OFF
CN4
Matching
resistor
selection
Digital output
terminal
I
U
CN2
I
U
CN3
NPN
PNP
CN1
+24V
Default
FWD
Default
REV
(-)
(+) PB
Multifunctional digital input terminal 2
Multifunctional digital input terminal 3
Multifunctional digital input terminal 4
Multifunctional digital input terminal 5
Analog output
0~10V/0~20mA
Fig.3-3 ADV 0.75 C420-M ADV 2.20 C420-M

Table of Contents