EasyManua.ls Logo

Advanced Poly-Packaging T-1000 - 5.8-5.14 Pneumatic, Sealing, and Support Assemblies

Advanced Poly-Packaging T-1000
142 pages
Print Icon
To Next Page IconTo Next Page
To Next Page IconTo Next Page
To Previous Page IconTo Previous Page
To Previous Page IconTo Previous Page
Loading...
91
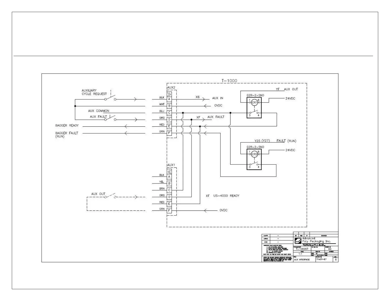
Aux Interface
T1kST-E7

Table of Contents

Other manuals for Advanced Poly-Packaging T-1000