EasyManua.ls Logo

Advanced Poly-Packaging T-1000 - Page 99

Advanced Poly-Packaging T-1000
142 pages
Print Icon
To Next Page IconTo Next Page
To Next Page IconTo Next Page
To Previous Page IconTo Previous Page
To Previous Page IconTo Previous Page
Loading...
98
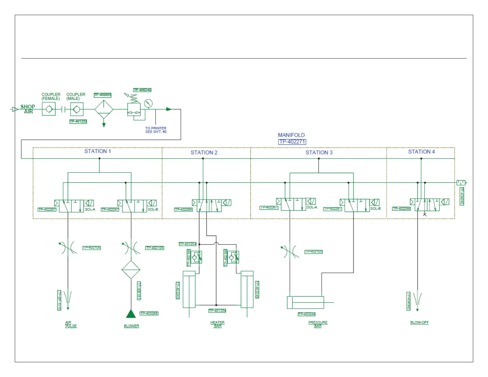
T-1000-S14 Pneumatic System Layout Diagram
T-1000 PNE 1

Table of Contents

Other manuals for Advanced Poly-Packaging T-1000