EasyManua.ls Logo

Advantech WISE Series - Application Wiring of WISE-S600 I;O Module with M12 Connectors; WISE-S614 I;O Application Wiring; WISE-S615 I;O Application Wiring

Advantech WISE Series
64 pages
Print Icon
To Next Page IconTo Next Page
To Next Page IconTo Next Page
To Previous Page IconTo Previous Page
To Previous Page IconTo Previous Page
Loading...
23 WISE-4610(P) User Manual
Chapter 3 Hardware Specifications
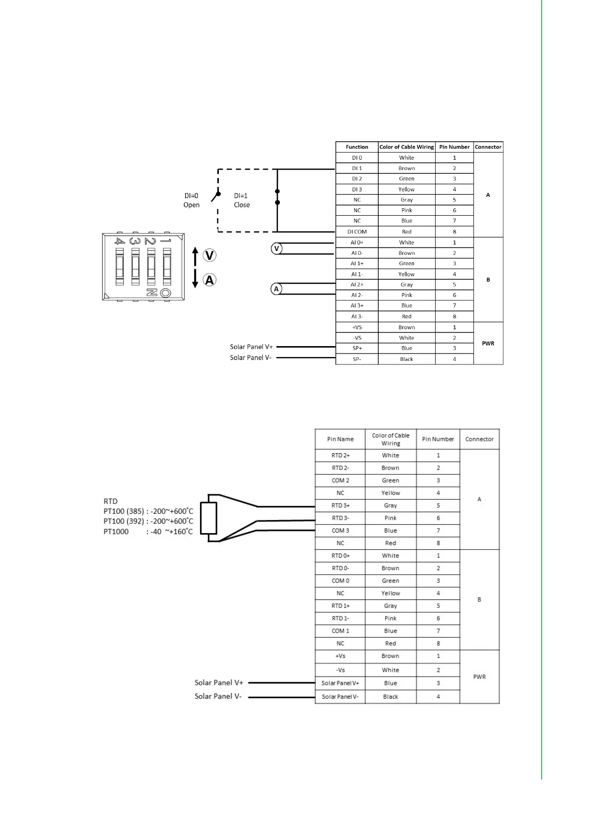
3.8 Application Wiring of WISE-S600 I/O Module
with M12 Connectors
3.8.1 WISE-S614 I/O Application Wiring
Figure 3.2 WISE-S614 I/O Application Wiring
3.8.2 WISE-S615 I/O Application Wiring
Figure 3.3 WISE-S615 I/O Application Wiring

Table of Contents

Related product manuals