EasyManua.ls Logo

Advantech WISE Series - Power Supply Wiring; Block Diagram; Configuration Interface

Advantech WISE Series
64 pages
Print Icon
To Next Page IconTo Next Page
To Next Page IconTo Next Page
To Previous Page IconTo Previous Page
To Previous Page IconTo Previous Page
Loading...
WISE-4610(P) User Manual 26
3.10 Power Supply Wiring
WISE-4610 modules are designed to support a standard unregulated 24-V
DC
indus-
trial power supply. However, they can also accept 10 ~ 50 V
DC
input with a peak-to-
peak power ripple of 200 mV. The immediate ripple voltage should be maintained at
10 ~ 50 V
DC
. The screw terminals labeled +Vs” and “-Vs” are for the power supply
wiring. Refer to Section 3.6 “I/O Pin Assignment” for more details.
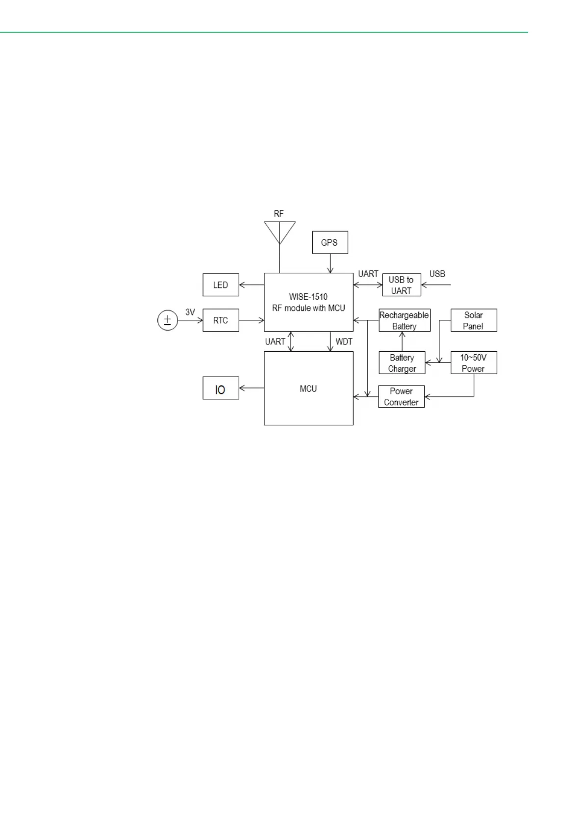
3.11 Block Diagram
Figure 3.8 WISE-4610 Block Diagram
3.12 Configuration Interface
Interface: USB virtual COM port
Connector: Micro-B USB
USB Chipset: Silicon Labs CP210x
Driver: CP210x USB-to-UART bridge VCP drivers

Table of Contents

Related product manuals