EasyManua.ls Logo

Akai AA-R22/L

Akai AA-R22/L
122 pages
To Next Page IconTo Next Page
To Next Page IconTo Next Page
To Previous Page IconTo Previous Page
To Previous Page IconTo Previous Page
Loading...
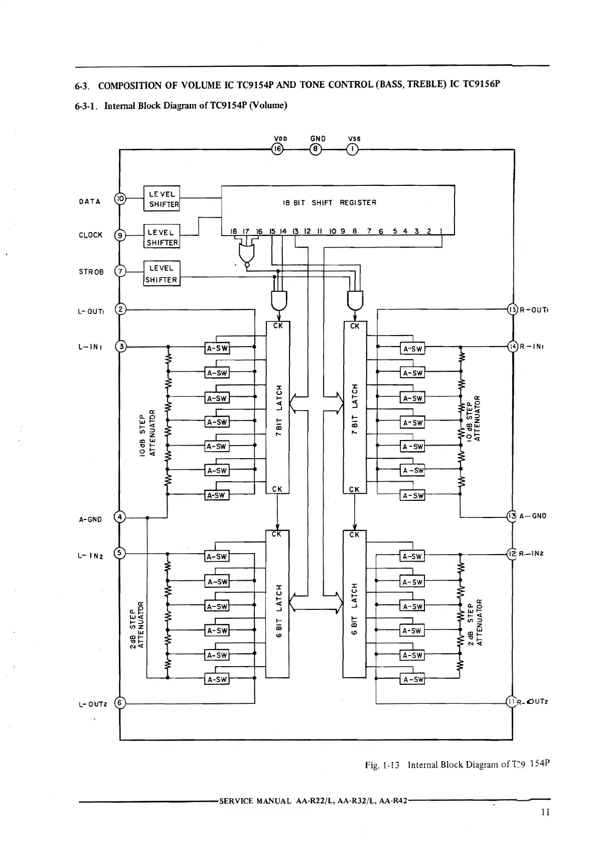
6-3. COMPOSITION OF VOLUME
IC
TC9154P
AND
TONE CONTROL (BASS, TREBLE)
IC
TC9156P
6-3-1. Internal Block Diagram ofTC9154P (Volume)
DATA
18
BIT SHIFT REGISTER
CLOCK
5 4 3 2 I
STROB
L-OUT1
CK
L-IN1
:r
::c
u
u
I-
I-
<(
'.3
0:
..J
Q.
~
I-
I-
Ii.I
<(
Cl)
I-
::::;
CD
"'z
,_
,_
a:, Ii.I
'0
I-
~!;i
CK
CK
A-GND
CK
CK
L-
INz
:r
u
I-
0:
<(
0:
Q. g
..J
Q. 0
Wt"-
IJJ<(
I-
<(
1-:::>
I-
Ill:::>
v,z
iii
z
Ii.I
U)
a:iw
Cl)
I-
~ ~
.,,
I-
(\.I<(
L-
OUH
6
!--------------'
'--------------ll
1 R-£:lUT2
Fig. I
13
Internal Block Diagram
ofT:9
154P
-------------SERVICE
MANUAL
AA·R12/L,
AA·R32/L,
AA-R42-------------
11

Table of Contents

Related product manuals