EasyManua.ls Logo

Alliance Laundry Systems SWT520*M - Page 73

Alliance Laundry Systems SWT520*M
130 pages
Print Icon
To Next Page IconTo Next Page
To Next Page IconTo Next Page
To Previous Page IconTo Previous Page
To Previous Page IconTo Previous Page
Loading...
39201 71
© Copyright, Alliance Laundry Systems LLC – DO NOT COPY or TRANSMIT
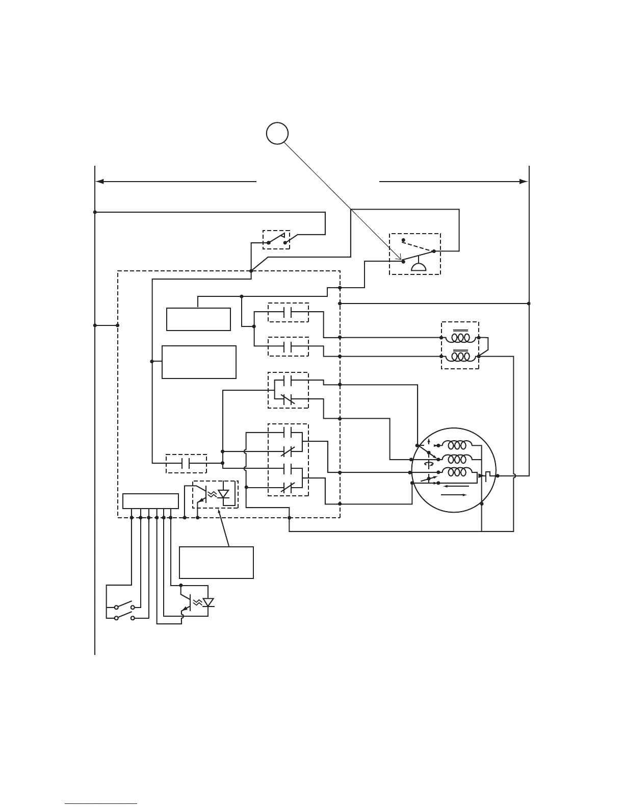
Troubleshooting (EDC Models)
Overflow Analysis
LOW
MOTOR
MOTOR SPEED
HOT
COLD
LID AND
UNBALANCE SWITCH
ELECTRONIC CONTROL
SCHEMATIC
COLD
MIXING VALVE
PRESSURE SWITCH
PRESSURE SWITCH
AND
WATER CIRCUIT
LID SWITCH SENSE.
MOTOR DIRECTION
AND CONTROL AND
TIMING CIRCUIT
AVAILABLE OUTPUT
TRANSISTOR IS
"OFF" WHEN MACHINE
IS RUNNING
AUDIT CONTROL
CIRCUIT
H3-2
H6-2
H6-1
H3-3
H3-6
H3-4
K3
K5
K4
K2
K1
H3-4
FS-2
FS-1
N
H3-1
H3-1
L1
L1
N
H3-5
H3-1
MOTOR START/DIRECTION
MOTOR MASTER
SERVICE
DOOR
COIN VAULT
COIN DROP
SENSOR
HIGH
START
AGITATE
SPIN
4
6
1
7
3
3
2
1
8
TP
HOT
H2-1
H2-2
H2-3
H2-5
H2-6
H2-4
TLW317S
120/240 VOLT 60/50 HERTZ
(Refer to machine serial plate.)
1

Table of Contents

Related product manuals