EasyManua.ls Logo

Allied Systems Freeman 370 - Page 55

Allied Systems Freeman 370
108 pages
Print Icon
To Next Page IconTo Next Page
To Next Page IconTo Next Page
To Previous Page IconTo Previous Page
To Previous Page IconTo Previous Page
Loading...
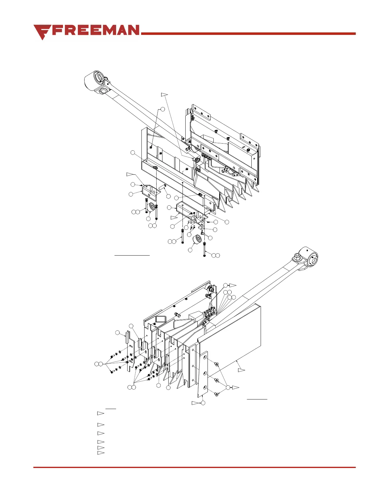
Plunger Assy, 16”x22”
Page 4 of 4
BOTTOM LEFT VIEW
SHOWN WITHOUT BOTTOM PLATE
24
30
15
9
20
22
13
20
22
39
20
22
28
11
13
28
2022
12
30
3-1
3-1
3-3 BOTH SIDES OF PIN
43
43
4X
9
33
4X
BACK VIEW
SHOWN WITHOUT TOP PLATE
43
17
2122
2122
19
3
3
2
3-2
3-4
55
54
53
52
3-5
16
3-6
NOTES:
USE ITEMS 4 & 5 AS REQUIRED TO MAKE ALL ROLLERS
CONTACT AND ROLL ON ASSEMBLY STAND. ROLLERS
SHOULD BE FLAT WITHIN .003" WITH THE ASSEMBLY STAND.
RIGHT SIDE OF PLUNGER ASSEMBLY SHOULD BE PERPENDICULAR
WITHIN +/- 0.015" TO ASSEMBLY STAND.
INSURE RETAINING BOLTS FOR PLUNGER CONNECTING ROD PIN
ARE LOCATED ON THE FLAT OF THE PIN.
TORQUE TO 130 FT LBS
USE LOCTITE #242 ON FITTING THREADS
PLUNGER KNIFE CANNOT EXTEND MOR
E THAN .002" PAST SIDE OF PLUNGER
OR BE RECESSED MO
RE THAN .005" BELOW THE PLUNGER SIDE
3-1
3-2
3-3
3-4
3-5
3-6
Plunger Assy, 16”x22”
Gearbox Baler
Page 4 of 4
55
89-096Rev: 11-2016

Table of Contents