EasyManua.ls Logo

Alpha 6000S series - Page 30

Alpha 6000S series
221 pages
Print Icon
To Next Page IconTo Next Page
To Next Page IconTo Next Page
To Previous Page IconTo Previous Page
To Previous Page IconTo Previous Page
Loading...
Chapter 2 Installation and Wiring
29
PB
-
制动电阻
(外接、选配件)
L
R
N
T
U
V
W
24V
PLC
X1
X2
X3
X4
X5
COM
PE
10V
AI1
AI2
GND
PE
三相
380V
50/60HZ
多功能输入选择1
多功能输入选择2
多功能输入选择3
多功能输入选择4
多功能输入选择5
速度指令
0~10V
0~10V
0~20mA
PE
GND
AO1
PE
M
模拟量输出
0/4~20mA电流信号
SW2
A01
0/4~20mA
0/2~10V
断路器
24V
DO
COM
PE
率表(开路集电极输出)
输出0~50KHZ速脉冲信号
TA
TB
TC
可编程继电器输出
准RS485通讯口
485+
485-
GND
SW1/SW3
AI1/AI2
I
V
V
I
PE
PG
PE
X5
X4
COM
24V
0/2~10V电压信号
编码器输入信号
电位器
(阻值大于500Ω)
0~10V电压信号
0~20mA电流信号
+
X3
0~20mA
0~10V
S
0~50KHZ高速脉冲输入信号
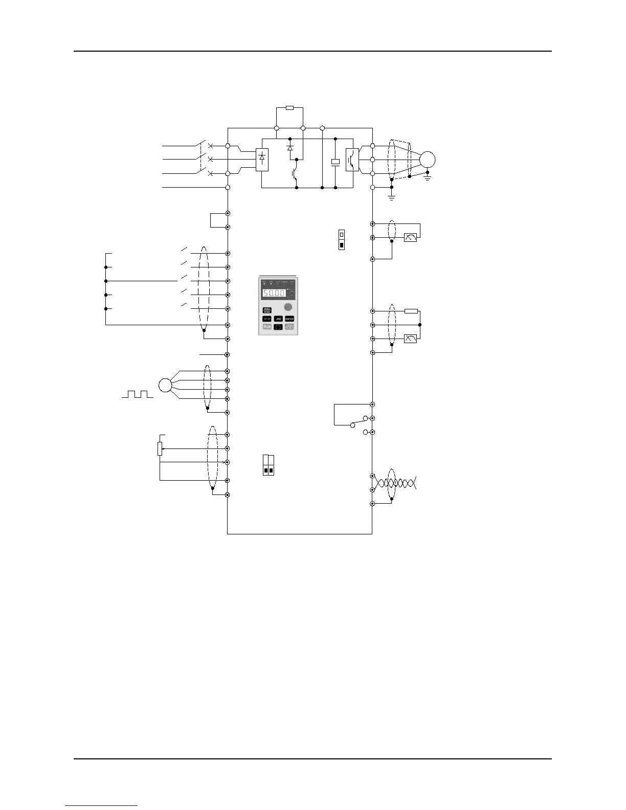
Fig. 2-42 3R75GB~ 3004GB wiring diagram
Potentiometer (the
resistance is greater
than 500Ω)
0-10V voltage signal
0-20mA current
signal
Standard RS485 communication
port
Programmable relay output
Frequency meter (open collector
output)
Output 0-50 KHZ high-speed
pulse signal
Analog output
0/4~20mA current signal
0/2~10V voltage signal
Braking resistor
(external, optional)
Three-phase
Circuit
breaker
Encoder input signal
0-50KHZ high-speed pulse input
signal
Speed
command
Multi-function input
selection 1
Multi-function input
selection 2
Multi-function input
selection 3
Multi-function input
selection 4
Multi-function input
selection 5

Table of Contents

Related product manuals