EasyManua.ls Logo

Alpine ICS-X8 - Page 89

Alpine ICS-X8
92 pages
Print Icon
To Next Page IconTo Next Page
To Next Page IconTo Next Page
To Previous Page IconTo Previous Page
To Previous Page IconTo Previous Page
Loading...
89-EN
01GB07ICS-X8.fm
ALPINE ICS-X8 68-13530Z91-A (EN)
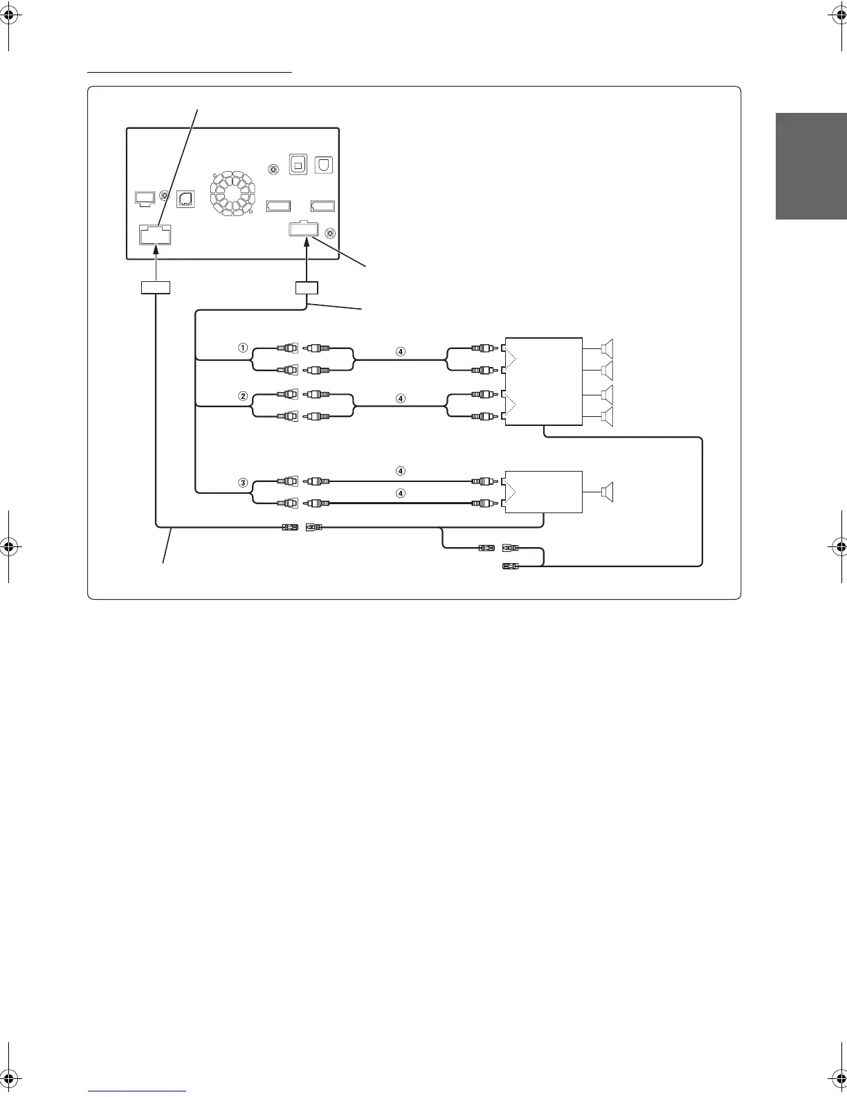
Connection of an External Amplifier
1 Front Output RCA Connectors
RED is right and WHITE is left.
2 Rear Output RCA Connectors
RED is right and WHITE is left.
3 Subwoofer RCA Connector
4 RCA Extension Cable (Sold separately)
AUX/PRE OUT Connector
Power Supply Connector
AUX/PRE OUT cable
(Red)
(White)
Amplifier 4 ch (Sold separately)
Input
Input
Front speaker
Rear speaker
REMO
(Blue/White)
Power cable
Amplifier for subwoofer (Sold separately)
Input
Subwoofer
(Red)
(White)
REMOTE ON
(Blue/White)
REMOTE ON
(Blue/White)
(Red)
(White)
01GB00ICS-X8.book Page 89 Wednesday, November 9, 2011 7:39 PM

Table of Contents

Other manuals for Alpine ICS-X8

Related product manuals