EasyManua.ls Logo

Ammann ARX 23-2 - Page 191

Ammann ARX 23-2
196 pages
Print Icon
To Next Page IconTo Next Page
To Next Page IconTo Next Page
To Previous Page IconTo Previous Page
To Previous Page IconTo Previous Page
Loading...
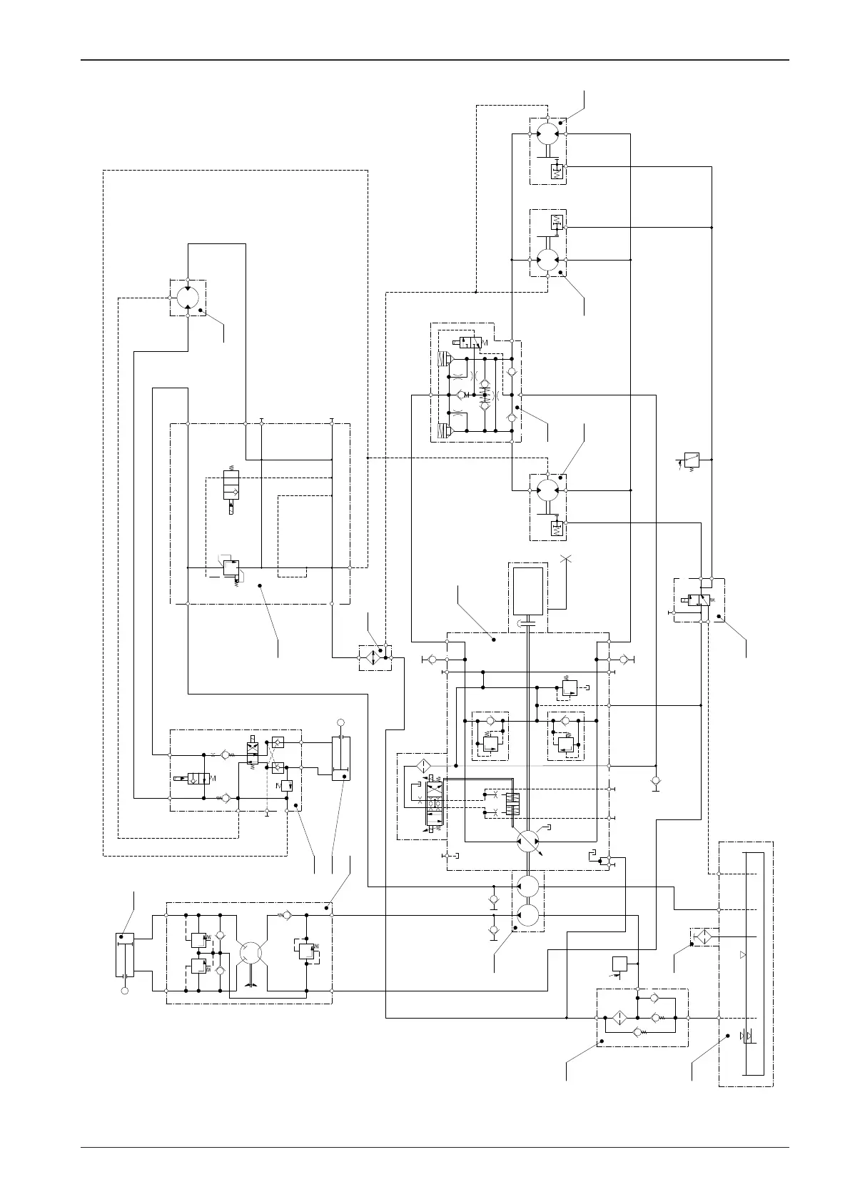
187ARX 23-2 T4i, ARX 26-2 T4i
80 ccm
140
P
T
R
L
175175
2400
rpm
in
out
2,5 bar
0,4 bar
398
L
R
T
8
15L 16S
T
172
R
L
T
108
T
P
M2
C
B
B1
A
Y5
A
B
B1
A1
T
M2
T
Y12
Y13
15 bar
B
G
R
T2 X1 X2
375
375
25
28
T1
PS
Fe
S
MB
MA A
P
T
AB
8 14
172
L
R
T
31 ND :05 soP31 ND :02 soP
Pos 53: DN 8
Pos 51: DN 13
Pos 55: DN 8
Pos 22: DN 8
Pos 72: DN 8
Pos 70: DN 13
Pos 25: DN 13
Pos 41: DN 10
Pos 21: DN 13
Pos 23: DN 8
Pos 8: DN 13
Pos 10: DN 16
Pos 52: DN 8
Pos 54: DN 8
Tube DN 12
Tube DN 12
Pos 7: DN 25
Pos 12: DN 8
Pos 1: DN 19
Pos 9: DN 16
Pos 11: DN 19
Pos 5: DN 13
Pos 2: DN 10
Pos 3: DN 10Pos 4: DN 10
T
P A1.2
A1.1
Y2
Pos 71: DN 13
S52
S53
Y3 Y4
Y11
Pos 13: DN 13
Pos 26: DN 8
Pos 74: DN 8Pos 73: DN 8
Pos 6: DN 13
11
12
13
2
14
3
30
15 16
1
10
7
8
5
6
71
70
Front hydromotor
Rear left
hydromotor
Front
hydromotor
Fittings
Fittings
Fittings
Fittings
Fittings
Fittings
Fittings
Rear right
hydromotor
Fittings
Diesel engine
Travel pump
Vibration block
Edge cutter block
Back-suction lter
Vibro-steering
pumps
Cooler
Steering cylinder
Steering unit
Edge cutter cylinder
Hydraulic tank
Brake block
Fittings
Flow divider
43425_en
MAINTENANCE MANUAL

Table of Contents

Related product manuals