EasyManua.ls Logo

AQUATECH RAPID/X6 - 10 Electrical Schematics & Connections; Electrical Schematic

AQUATECH RAPID/X6
44 pages
Print Icon
To Next Page IconTo Next Page
To Next Page IconTo Next Page
To Previous Page IconTo Previous Page
To Previous Page IconTo Previous Page
Loading...
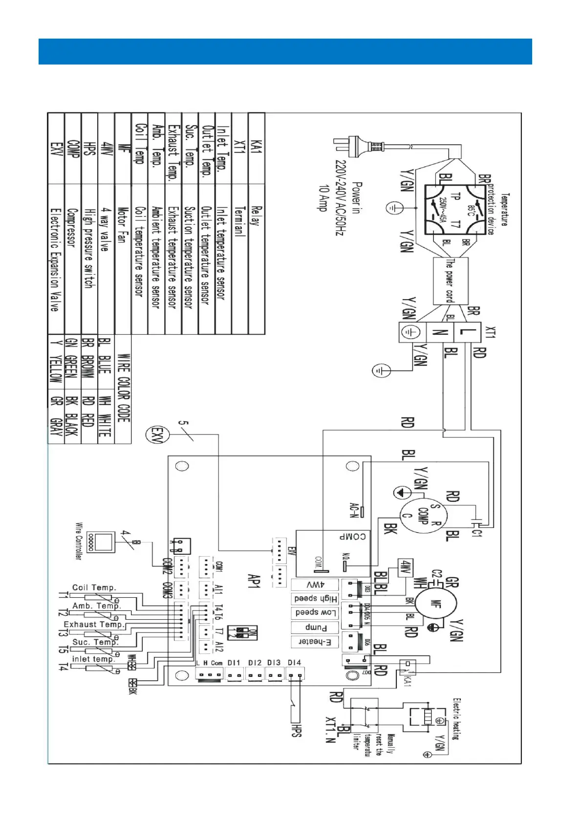
10.1 ELECTRICAL SCHEMATIC
20
ELECTRICAL SCHEMATICS & CONNECTIONS

Other manuals for AQUATECH RAPID/X6