EasyManua.ls Logo

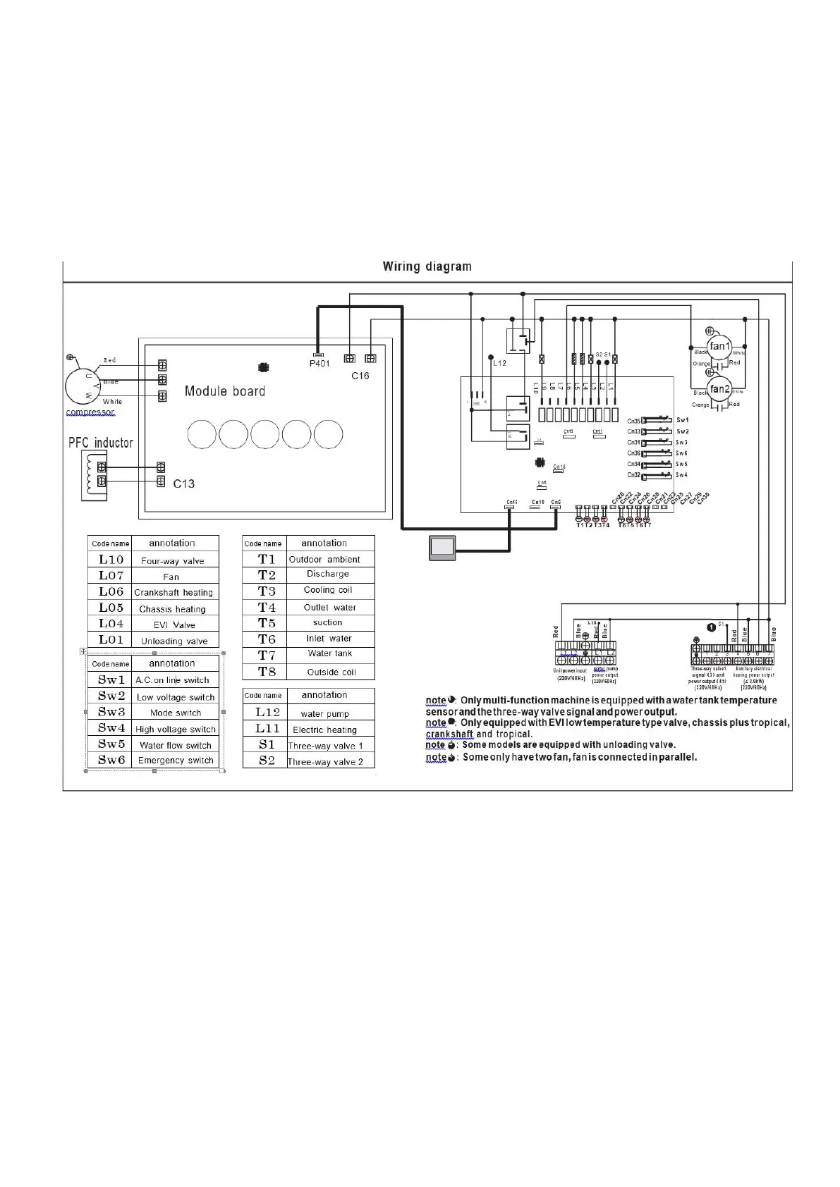
Arctic MAFP020A - Wiring Diagram; Controller Board Components; Wiring Diagram Notes

Arctic MAFP020A
57 pages
Print Icon
To Next Page IconTo Next Page
To Next Page IconTo Next Page
To Previous Page IconTo Previous Page
To Previous Page IconTo Previous Page
Loading...
17
See Appendix for Detailed Wiring Options

Table of Contents

Related product manuals