EasyManua.ls Logo

Arctic MAFP020A - F - Wiring - HEATING Fan Coils (F)

Arctic MAFP020A
57 pages
Print Icon
To Next Page IconTo Next Page
To Next Page IconTo Next Page
To Previous Page IconTo Previous Page
To Previous Page IconTo Previous Page
Loading...
47
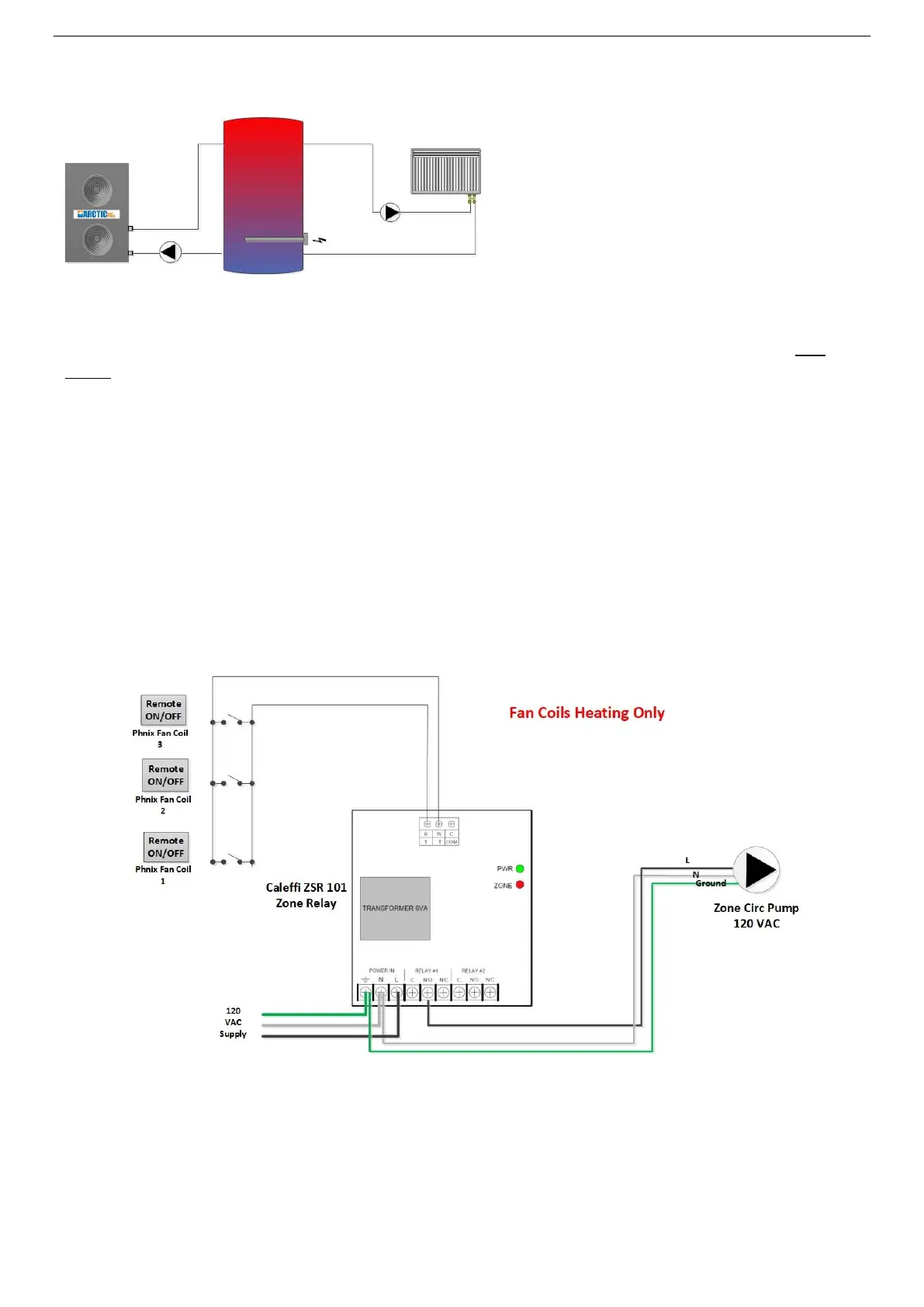
F - Wiring HEATING Fan Coils (F)
The Fan coils are equipped with their own thermostat mounted on the unit as well as an internal 3-way
valve, and pump output activation switch. The setting of the fan coil should be set to HEATING not
AUTO. When a heating call is generated by the units, the fan coil will open the internal 3-way valve and
close its pump output switch Remote ON/OFF. This closed Remote on/off switch will then active the
variable speed pump using a Caleffi Zone Relay just like the thermostat did in previous heating
arrangement. When more than one fan coil is used the variable speed pump will be wired in parallel such
that when any single fan coil requires heat it will activate the pump. The variable speed pump should be
set to constant pressure such that it will increase and decrease its speed depending on the number of
zones that are actively opened. (consult Caleffi Zone Relay manual for proper pump wiring as this differs
between models)

Table of Contents

Related product manuals