EasyManua.ls Logo

Arkel ADrive Size-B - Evacuation Wiring with Battery Supply

Arkel ADrive Size-B
82 pages
Print Icon
To Next Page IconTo Next Page
To Next Page IconTo Next Page
To Previous Page IconTo Previous Page
To Previous Page IconTo Previous Page
Loading...
ARKEL Elektrik Elektronik Ltd. Şti. www.arkel.com.tr
08.2012
ADrive
43
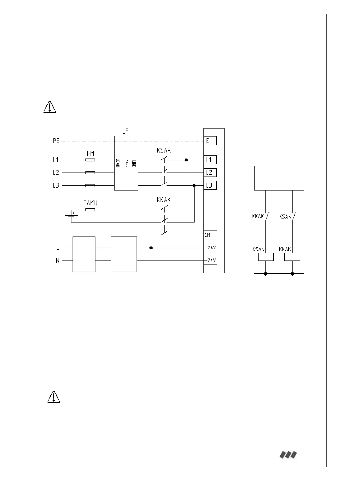
13.3.5. Back-up power wirings for evacuation operation:
The back-up power supply connections are shown in this section.
13.3.5.1. With battery supply:
The battery supply must be connected to the input terminals L1 and L3.
Do not make different connection. Otherwise the device may be damaged.
FM: Mains fuse
LF: Line filter
BAT: Batteries
UPS: 1-phase 220Vac uninterruptible power supply
LCS: Lift control system
FAKU: Battery fuse
KSAK: Mains supply contactor
KKAK: Battery supply contactor
*1: Contactor KSAK and KKAK must be interlocked.
*2: Activation of for battery operation (CI1 input).
See Section 6 for appropriate fuse, contactor and cable cross-section.
*1
LCS
ADrive
UPS
*2
LCS
+24V
-24V
BAT

Table of Contents