EasyManua.ls Logo

Atlas Copco XAHS 186 Cud PNE

Atlas Copco XAHS 186 Cud PNE
70 pages
To Next Page IconTo Next Page
To Next Page IconTo Next Page
To Previous Page IconTo Previous Page
To Previous Page IconTo Previous Page
Loading...
- 25 -
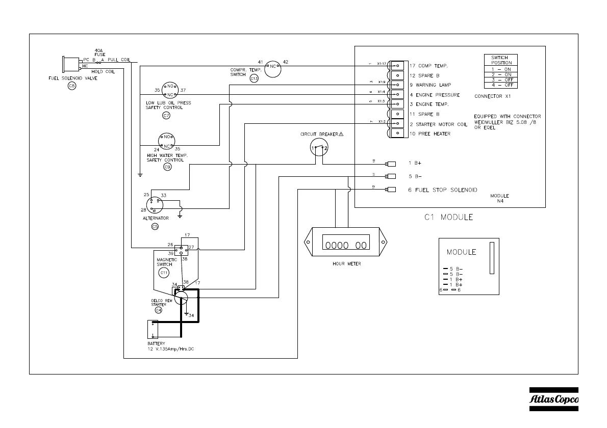
ELECTRIC SYSTEM
Circuit Diagram

Table of Contents

Related product manuals