EasyManua.ls Logo

Bedford B550-2002 - Basic AC Drive Wiring Diagram

Default Icon
116 pages
Print Icon
To Next Page IconTo Next Page
To Next Page IconTo Next Page
To Previous Page IconTo Previous Page
To Previous Page IconTo Previous Page
Loading...
3-2
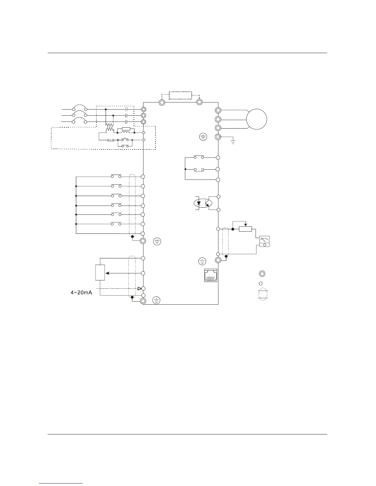
3.1 Basic Wiring Diagram
Users must connect wiring according to the following circuit diagram shown below.
B2
U/T1
V/T2
W/T3
IM
3~
MO1
MCM
RS-485
NOTE: Do not plug a Modem or telephone line to the RS-485 communication
port, permanent damage may result. Terminal 1& 2 are the power
sources for the optional copy keypad and should not be used while
using RS-485 communication.
61
B1
E
RA
RB
RC
120VAC/250VAC 5A
24VDC less than 2.5A
M0
M1
M2
M3
M4
M5
GND
AVI
GND
+10V 10mA(MAX)
3
2
1
VR
0
10VDC
VR
3K
5K
A
FM
GND
+
-
VR(1K)
DC 0
10V
RJ-11
1:15V
2:GND
3:SG-
4:SG+
5:Reserved
6:Reserved
Braking resistor (optional)
Main Circuit Power
The spec. of main circuit
terminal is M3.0
Factory default
Forward/Stop
Reverse/Stop
Reset
Multi-step 1
Multi-step 2
Multi-step 3
Common signal
Master Frequency setting
factory default is VR which is
on the digital keypad
Analog voltage
Analog current
Power for speed setting
series interface
AC Motor
Grounding
Multi-function indication
output contact
Factory default:
indicates malfunction
Multi-function Photocoupler
output contact 48VDC 50mA
Factory default: Indicates
during operation
Analog output
Factory default:
output frequency
For adjustment
Main circuit (power)
terminals
Control circuit terminals
Shielded leads
* If it is single phase model, please select any of the two input power
terminals in main circuit power.
* Single phase model can be input 3-phase power.
S/L2
T/L3
NFB
R/L1
S/L2
T/L3
SA
OFF
ON
MC
MC
RB
RC
Recommended Circuit
when power supply
is turned OFF by a
fault output
R/L1
ACI
E
E
E
B550 Series sensorless vector frequency drive

Table of Contents

Related product manuals