EasyManua.ls Logo

BEIER-Electronic SFR-1 - Wiring Diagram

BEIER-Electronic SFR-1
109 pages
Print Icon
To Next Page IconTo Next Page
To Next Page IconTo Next Page
To Previous Page IconTo Previous Page
To Previous Page IconTo Previous Page
Loading...
GB Sound speed controller SFR-1
06.02.2019 BEIER-Electronic 9
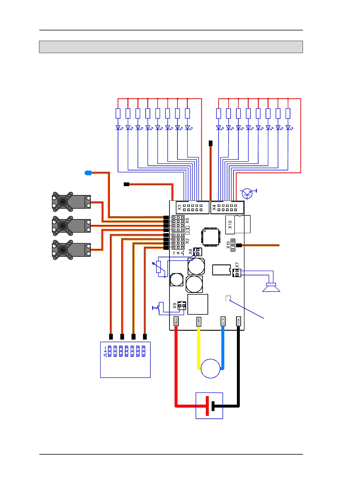
Wiring diagram
-
+
RC receiver
braun
red
orange
yellow
green
blue
purple
grey
Output 9
Output 10
Output 11
Output 12
Output 13
Output 14
Output 15
Output 16
Loudspeaker
4 - 8 Ohm
white / black
brown
red
orange
yellow
green
blue
purple
grey
Output 1
Output 2
Output 3
Output 4
Output 5
Output 6
Output 7
Output 8
white / black
Servo
Servo
Servo
Prop #1: throttle
Servo
1
Servo
2
Steering
servo
IR
transmitter diode
Prop #3
Prop #4
Prop #5
Prop #6 (S-BUS, SUMD)
Power off
(optional)
Data cable
K-USB-2
Volume
100k
M
Battery
6 - 18 V
+
-
Micro
SD card outputs
minus
switching
Switch for
set up
Prop #2 Steering

Related product manuals