EasyManua.ls Logo

Beko DRYPOINT M intelligence - Installation; Preconditions for Installation

Beko DRYPOINT M intelligence
40 pages
Print Icon
To Next Page IconTo Next Page
To Next Page IconTo Next Page
To Previous Page IconTo Previous Page
To Previous Page IconTo Previous Page
Loading...
Installation and operation instructions US-EN
20 DRYPOINT
®
M intelligence
3. Installation
3.1. Preconditions
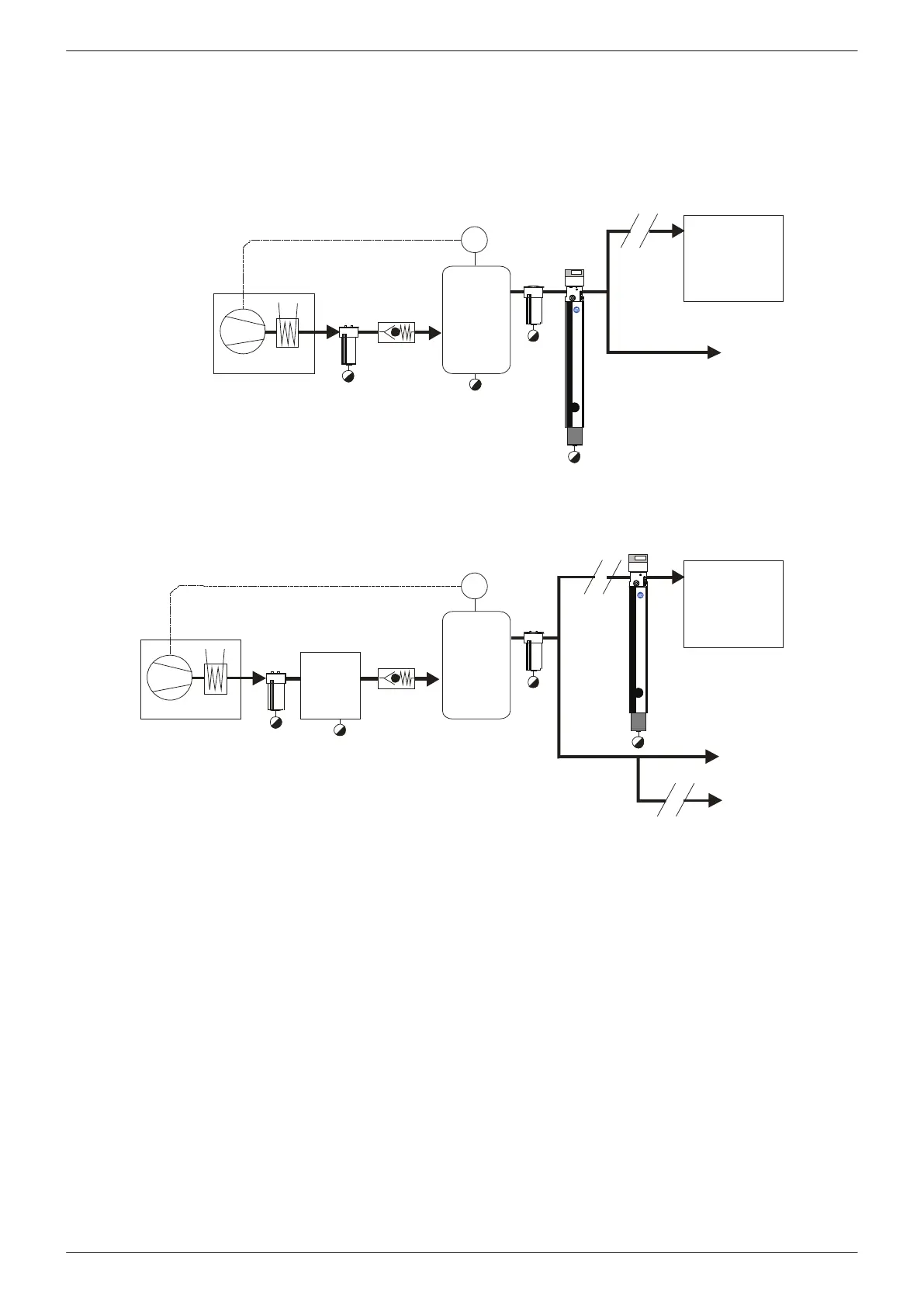
To achieve good drying results, you must ensure ecient preliminary ltration of the compressed air. Without a preliminary 
ltration system that meets the recommendations below, it is not possible to achieve satisfactory drying results. For details, 
see overview below.
p
Equipment
Equipment
Central
dryer
p
W
W
W = Water separator
F = Fine filter for the application with oilfree compressors
S = Super fine filter for the application with oil lubricated compressors
F/S
F/S

Related product manuals