EasyManua.ls Logo

BendPak HD-973P - Page 48

BendPak HD-973P
112 pages
Print Icon
To Next Page IconTo Next Page
To Next Page IconTo Next Page
To Previous Page IconTo Previous Page
To Previous Page IconTo Previous Page
Loading...
HD-973P Series Multi-Level Parking Lift 48 P/N 5900076Rev. B3 — January 2024
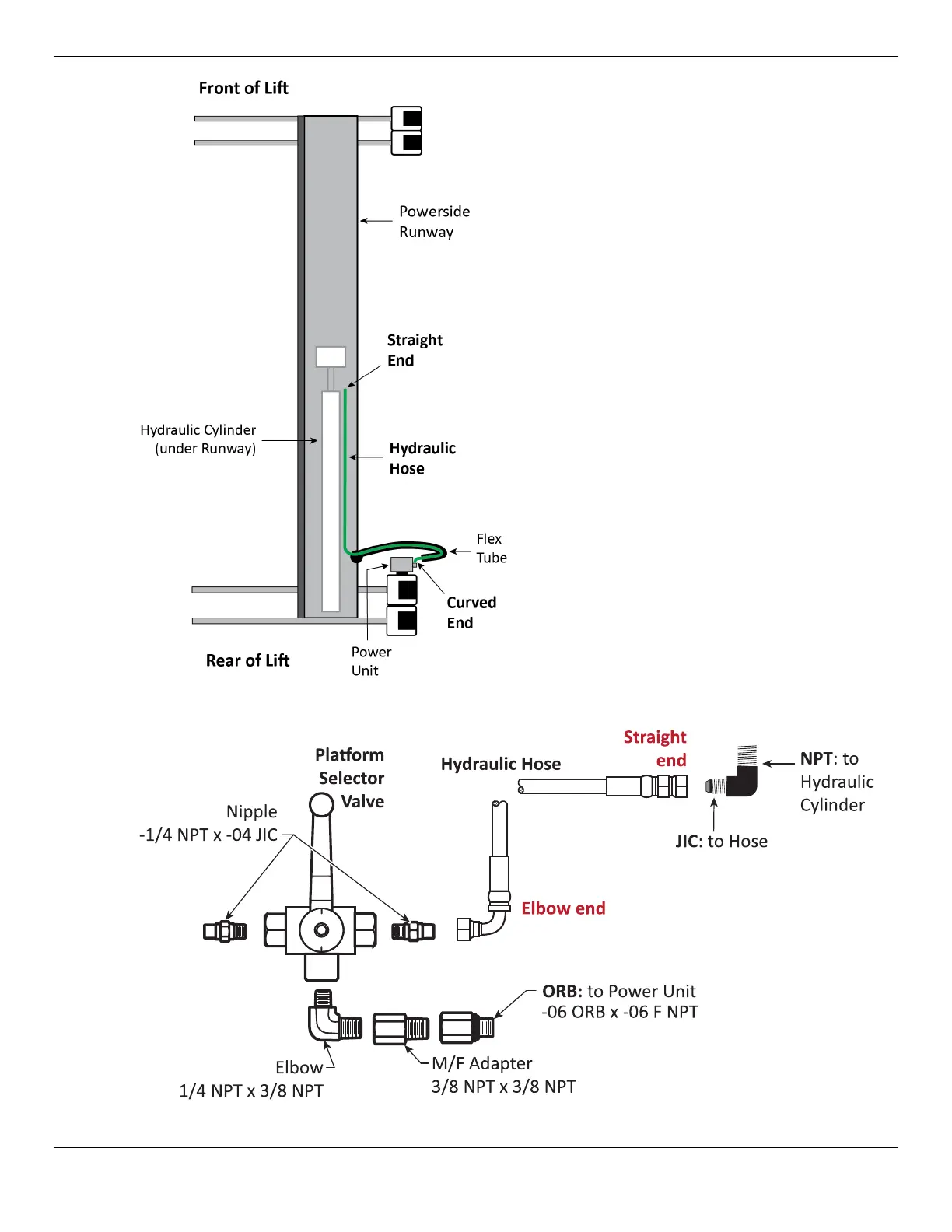
The figure below displays the Hydraulic Hose and its connectors in more detail.

Related product manuals