EasyManua.ls Logo

BendPak MD-6XP - Lift Arm and Power Unit Installation

BendPak MD-6XP
44 pages
Print Icon
To Next Page IconTo Next Page
To Next Page IconTo Next Page
To Previous Page IconTo Previous Page
To Previous Page IconTo Previous Page
Loading...
MD-6XP Mid-Rise Scissor Lift 20 P/N 5900108Rev. F March 2020
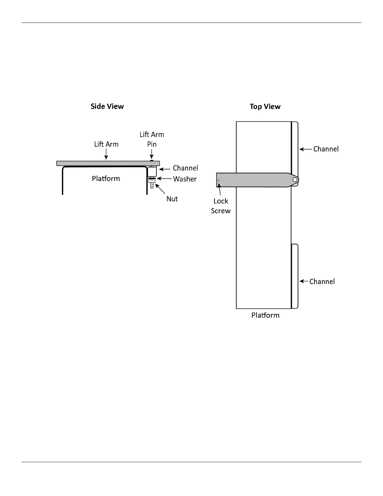
Install the Lift Arms
The Lift Arms are used with the Lift Pad accessories so that you can raise a Vehicle by the
manufacturer’s recommended Lifting Points.
The Lift Arms attach inside the Channels, where they can move freely to accommodate various Lifting
Points; one Lift Arm per each Channel.
The following drawing shows how to install the Lift Arms.
Only one Platform is shown. Some components not shown or exaggerated for clarity. Not drawn to
scale.
To install the Lifting Arms:
1. Locate the four Lifting Arms.
2. Remove the Washer and Nut from the Lift Arm Pin.
3. Position the Lift Arm so that the Lift Arm Pin is above the Channel, then slide the Pin through the
Channel.
4. Secure the Pin in place with the Washer and Nut you removed earlier.
Do
not
over-tighten the Nut; keep it loose enough so that the Arm can move and pivot within the
Channel.
5. Repeat Steps 2 through 4 for the remaining Lift Arms.

Other manuals for BendPak MD-6XP

Related product manuals