EasyManua.ls Logo

BendPak MD-6XP - Page 22

BendPak MD-6XP
44 pages
Print Icon
To Next Page IconTo Next Page
To Next Page IconTo Next Page
To Previous Page IconTo Previous Page
To Previous Page IconTo Previous Page
Loading...
MD-6XP Mid-Rise Scissor Lift 22 P/N 5900108Rev. F March 2020
Connect the Power Unit
The standard Power Unit for your Lift comes fully assembled from the factory, configured for 115 VAC
operation.
Important electrical information:
Improper electrical installation can damage the Power Unit motor; this damage is not covered
under warranty.
Use a separate circuit breaker for each Power Unit.
The circuit must be grounded and protected with a time-delay fuse or circuit breaker. For a 115
VAC, 1 phase circuit, use a 20 amp or greater fuse. For a 230 VAC, 1 phase circuit, use a 25 amp
or greater breaker.
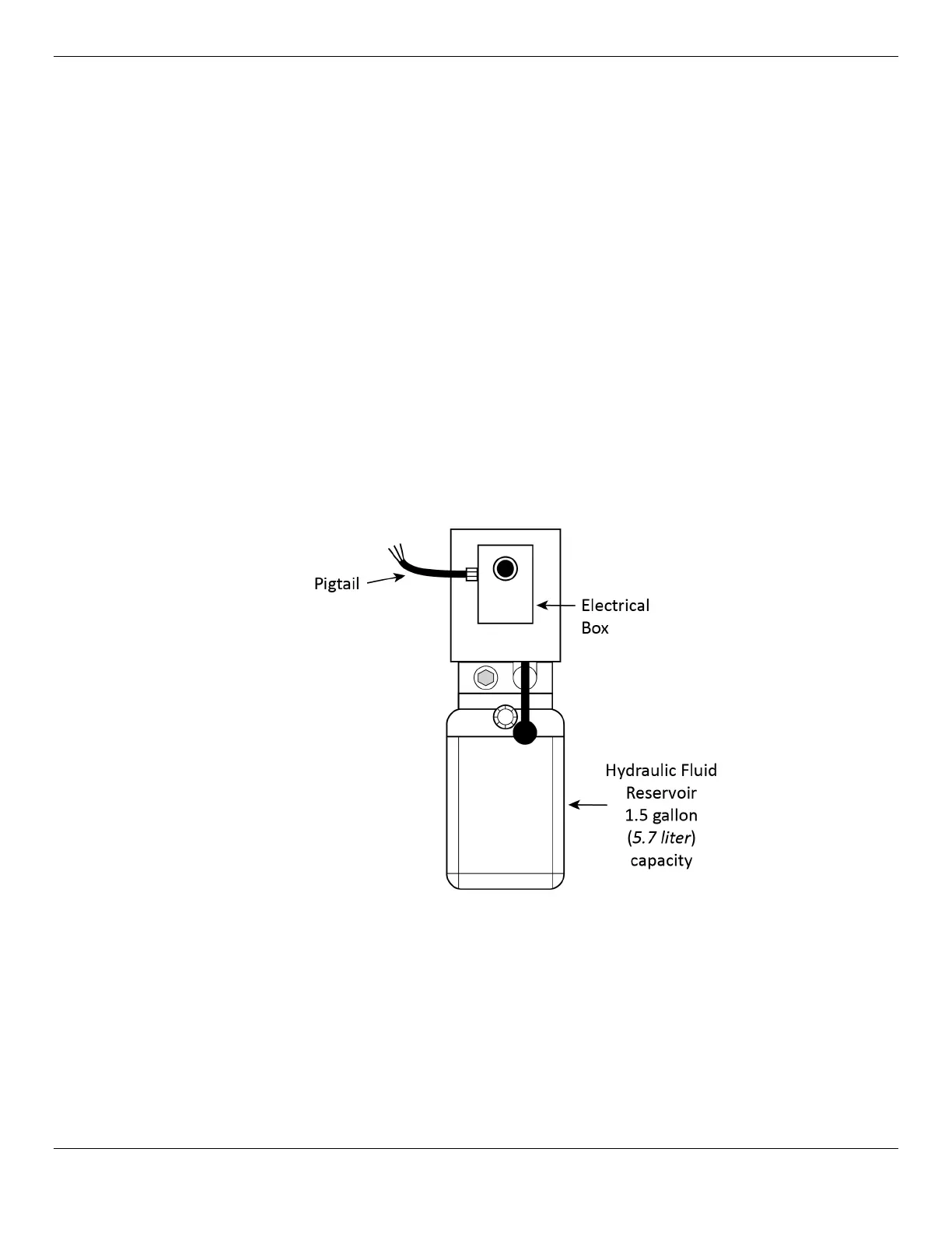
If you have a 220 VAC Power Unit, it will come with a pigtail for wiring to a power source. Have your
Electrician remove the pigtail and wire from inside the Electrical Box on the Power Unit to an
appropriate Power Cord and Plug.
DANGER All wiring
must
be performed by a licensed, certified Electrician.
CAUTION The Power Units Motor is
not
thermally protected.
The following drawing shows the Power Unit for your Lift (220 VAC option only).
Front View. Not all components are shown. Not drawn to scale.
To connect to a power source:
1. Find the Power Cord on the Power Unit, and then make sure the Power Cord has an appropriate
plug on the end.
Important: If you have a 220 VAC Power Unit, have your Electrician put a 220 VAC Plug
appropriate for your location.
Remember, all wiring must performed by a
licensed, certified Electrician for this process.
2. Plug the Power Cord to an appropriate power outlet.
3. Begin using the Lift.

Other manuals for BendPak MD-6XP

Related product manuals