EasyManua.ls Logo

Bentone B 70-3 - 7 Electric Equipment; Safety System

Bentone B 70-3
56 pages
Print Icon
To Next Page IconTo Next Page
To Next Page IconTo Next Page
To Previous Page IconTo Previous Page
To Previous Page IconTo Previous Page
Loading...
29 Bentone
165 305 04
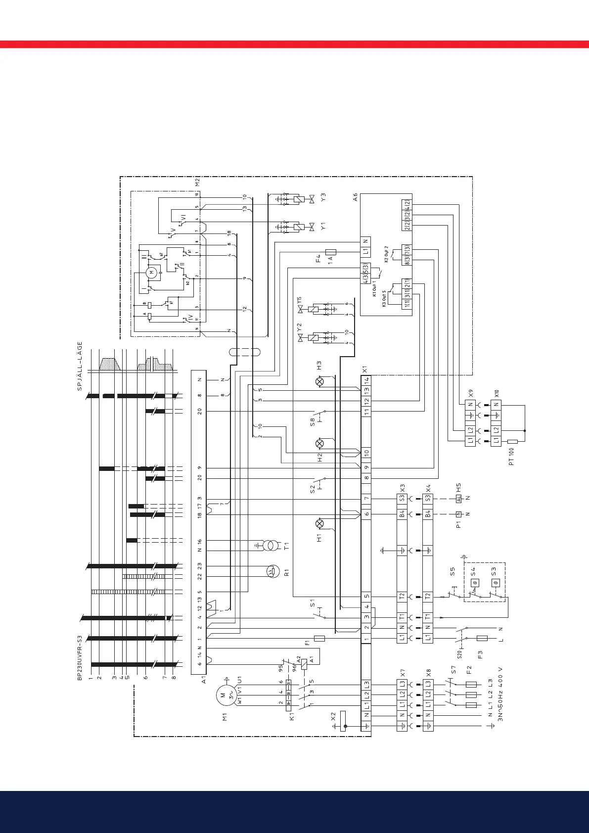
9. Electric equipment
9.1 Safety system

Table of Contents

Related product manuals