EasyManua.ls Logo

Bentone B55 - Page 29

Bentone B55
44 pages
Print Icon
To Next Page IconTo Next Page
To Next Page IconTo Next Page
To Previous Page IconTo Previous Page
To Previous Page IconTo Previous Page
Loading...
29
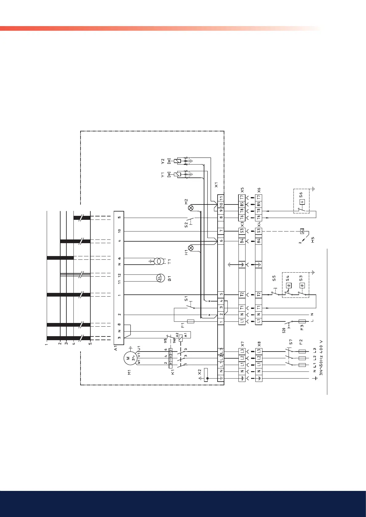
Bentone B55/B65
General
171 435 45 2016-06-30
Wiring diagram LMO24.255...
(B55-2H/B65-2H)

Table of Contents

Other manuals for Bentone B55

Related product manuals