EasyManua.ls Logo

Bentone B55 - Wiring Diagram LAL 1

Bentone B55
44 pages
Print Icon
To Next Page IconTo Next Page
To Next Page IconTo Next Page
To Previous Page IconTo Previous Page
To Previous Page IconTo Previous Page
Loading...
35
Bentone B55/B65
General
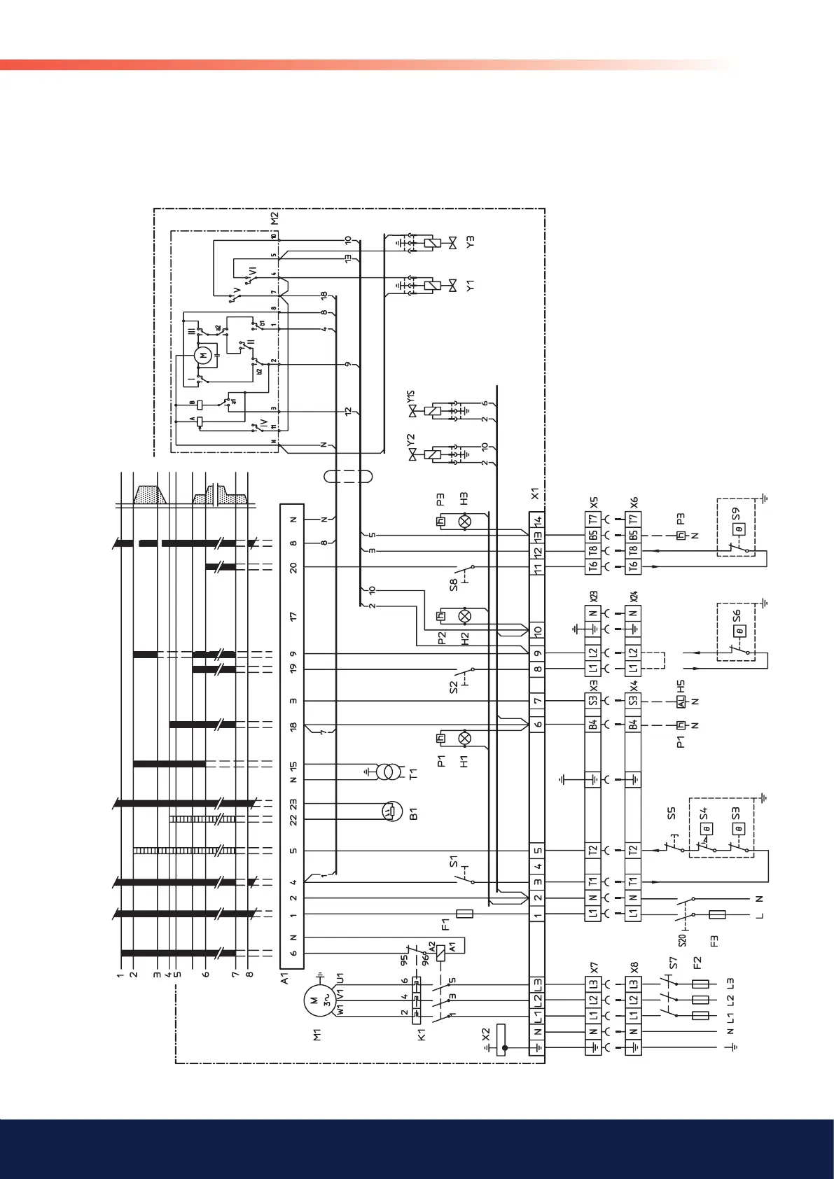
7.3 Wiring diagram LAL 1... (B55-3/B65-3)
DAMPER POSITION
3N~50/60 Hz 400/440V

Table of Contents

Other manuals for Bentone B55

Related product manuals