EasyManua.ls Logo

Bentone BF1 - Electrical Equipment; Wiring, Components, and Operation

Bentone BF1
52 pages
Print Icon
To Next Page IconTo Next Page
To Next Page IconTo Next Page
To Previous Page IconTo Previous Page
To Previous Page IconTo Previous Page
Loading...
42
Bentone BF1
General
µA DC
Blå
Svart
LMO
-
+
QRB
11
12
Blue Blau Bleue
Black Schwarz Noir
A1
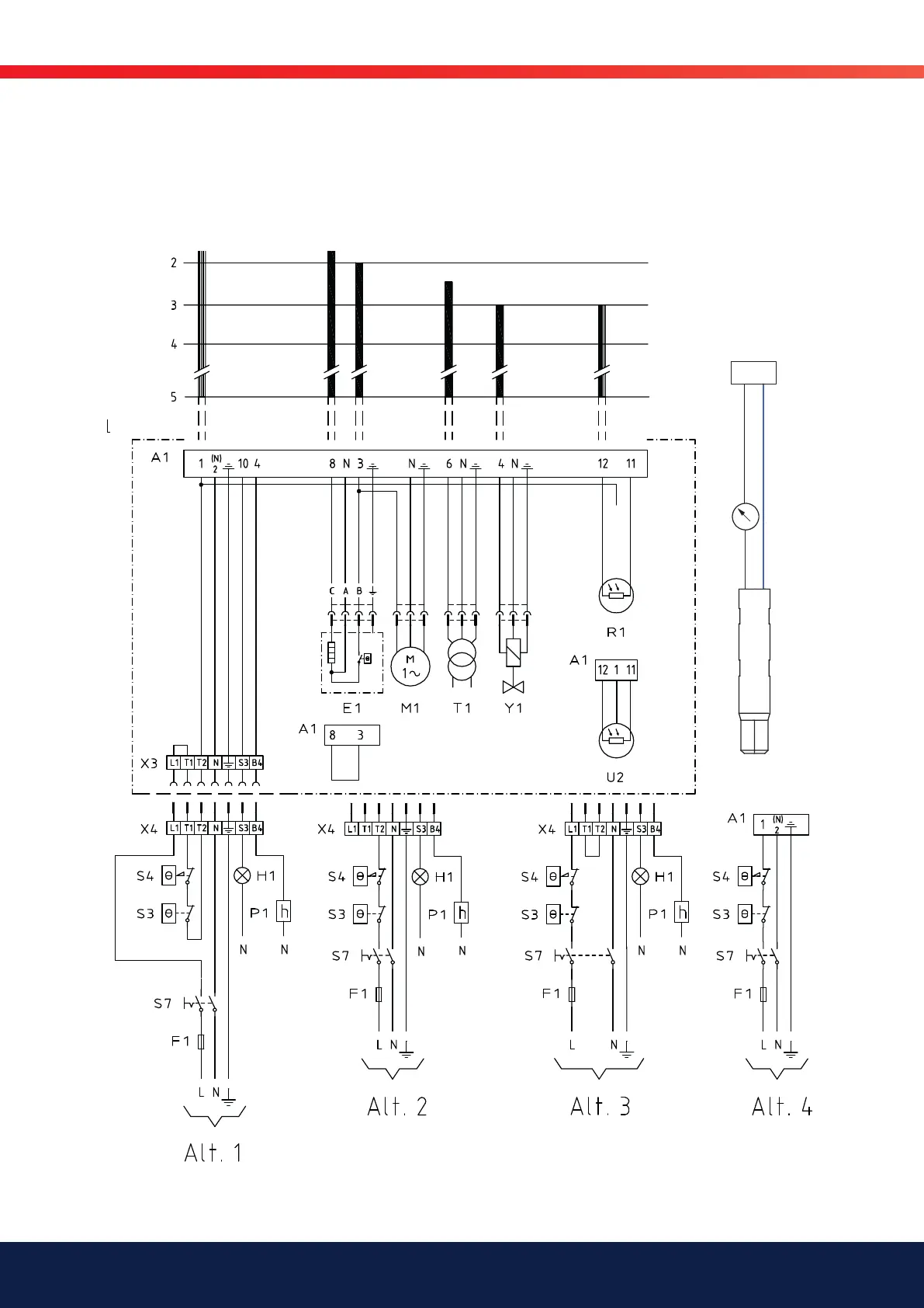
9. Electrical equipment LMO1..2..4..
9.1 Wiring diagram

Table of Contents

Related product manuals