EasyManua.ls Logo

Bentone BG650 - Inspection of Gas Assembly; Adjustment of Shrouded Disc; Service Position; Electric Equipment

Bentone BG650
58 pages
Print Icon
To Next Page IconTo Next Page
To Next Page IconTo Next Page
To Previous Page IconTo Previous Page
To Previous Page IconTo Previous Page
Loading...
14
172 435 80 08-01
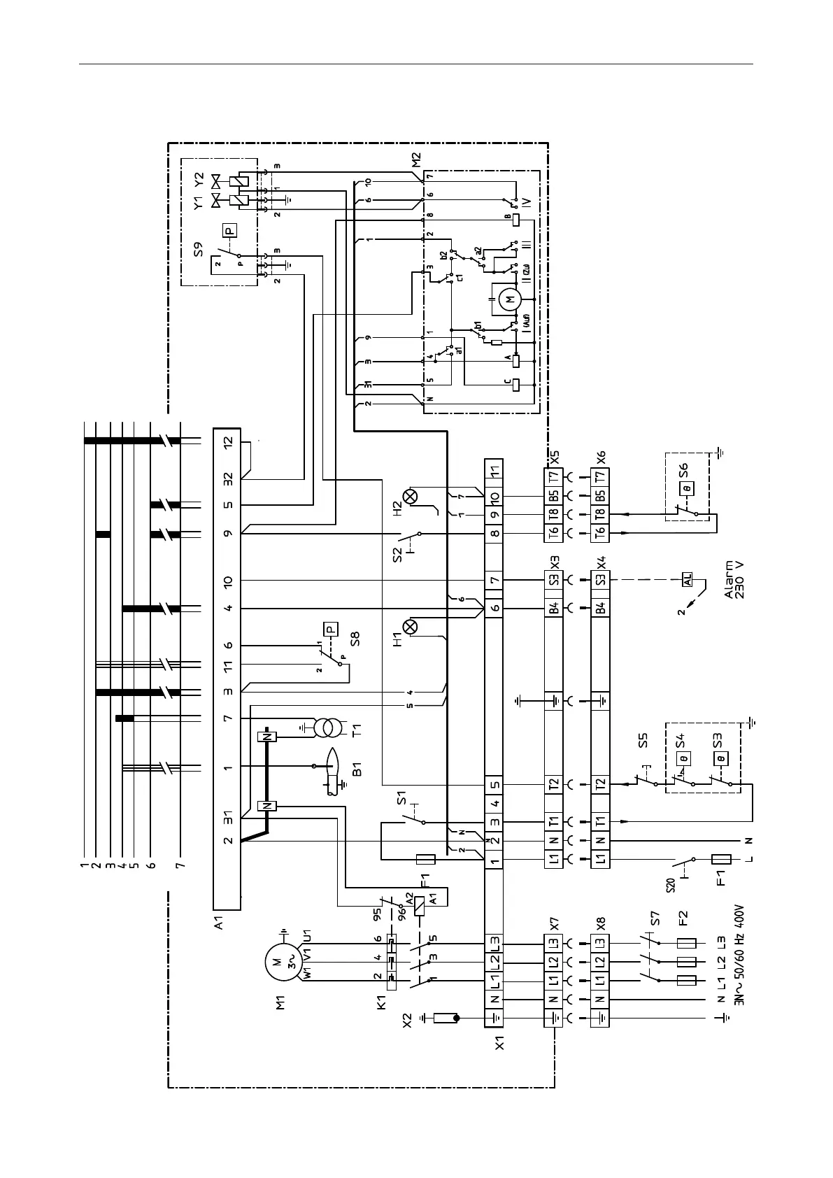
ELECTRIC EQUIPMENT
Wiring diagram LGB22/LMG22/LME22 (BG550/BG650) 2-Stage
1(2)

Table of Contents

Related product manuals