EasyManua.ls Logo

Bentone MVD 210 - Electric Equipment; Safety System; Wiring Diagram

Bentone MVD 210
52 pages
Print Icon
To Next Page IconTo Next Page
To Next Page IconTo Next Page
To Previous Page IconTo Previous Page
To Previous Page IconTo Previous Page
Loading...
14
Bentone
3. Electric equipment
3.1 Safety system
The safety system (safety switch for hatches, doors, water level, pressure,
temperature and other safety devices) must be installed in the safety circuit in
accordance with current regulations for the system.
The cables of the safety system must be separated so that the outgoing signal
is not placed in the same cable as the incoming signal.
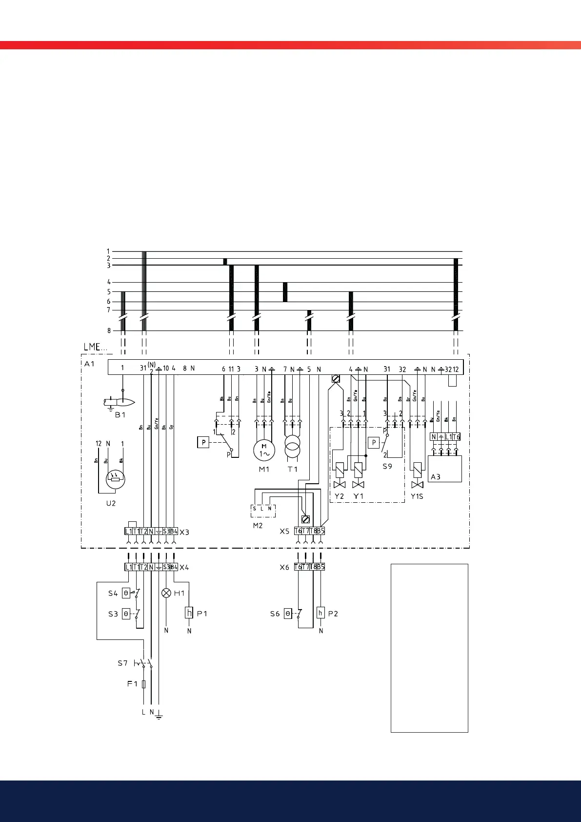
3.2 Wiring diagram
172 615 85-3
Bn Brown
Bu Blue
Gn Green
Ye Yellow
Gn/Ye Green/Yellow
Bk Black
Gy Grey
Rd Red
Wh White
Og Orange
Vt Violet
E106325

Related product manuals