EasyManua.ls Logo

Bernhard Anglemaster 3000 - Page 37

Bernhard Anglemaster 3000
41 pages
Print Icon
To Next Page IconTo Next Page
To Next Page IconTo Next Page
To Previous Page IconTo Previous Page
To Previous Page IconTo Previous Page
Loading...
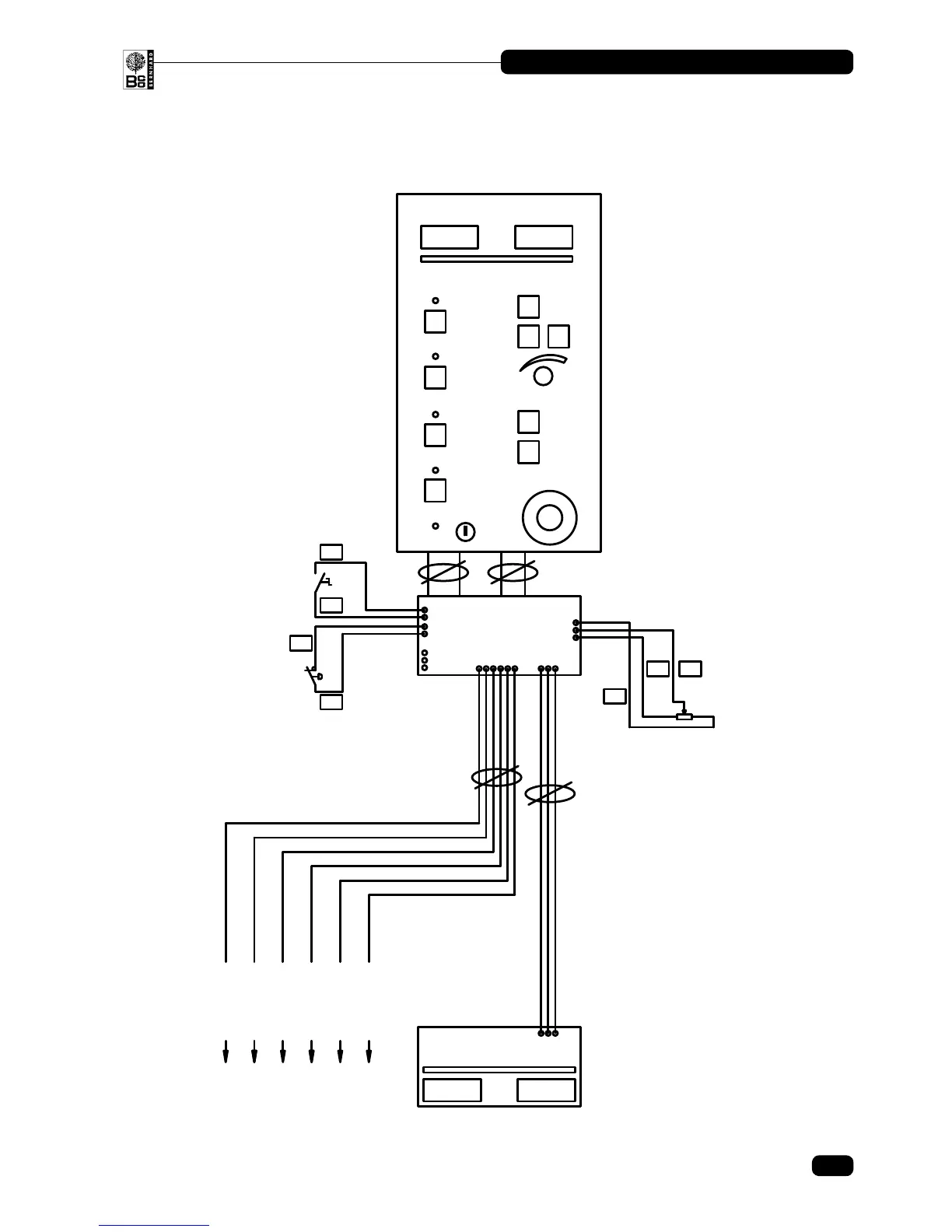
8. Wiring Diagrams (Continued)













































SHEET 3
37
ANGLEMASTER AM3000
© Bernhard and Company Limited

Related product manuals