EasyManua.ls Logo

Bewator Bewacard BC615 - Connecting BC615 to the CR1 converter

Bewator Bewacard BC615
64 pages
Print Icon
To Next Page IconTo Next Page
To Next Page IconTo Next Page
To Previous Page IconTo Previous Page
To Previous Page IconTo Previous Page
Loading...
BC615 Installation and User Manual 21
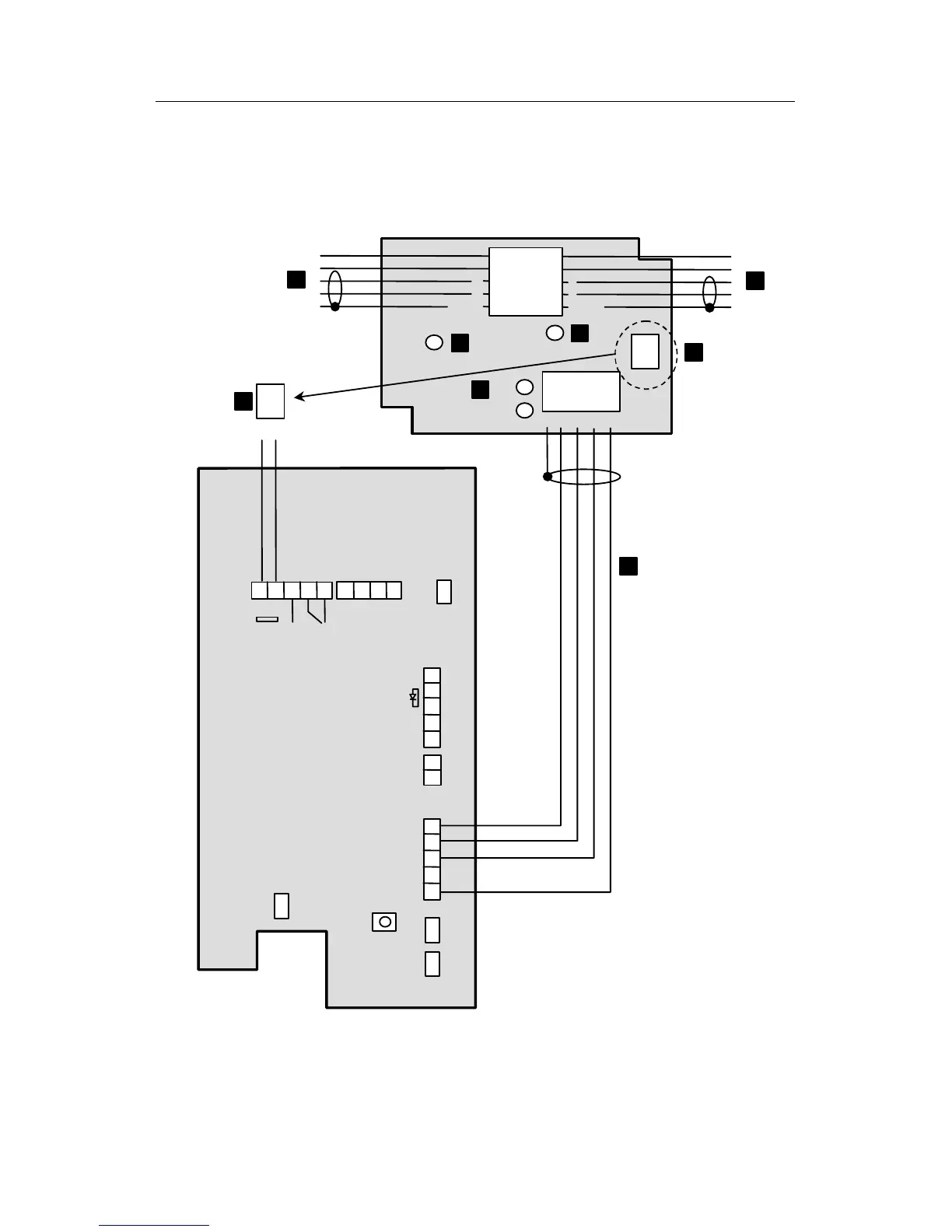
Connecting BC615 to the CR1 converter
6 7 8 9
LOCK
12-30V
+
1 2 3 4 5
11
12
13
14
15
16
ALM
ALERT
DUR
TAM
TAM
RS-232
TX
RX
ENAB
DTR
0V
17
18
19
20
21
EXT
INT
N/W
S/A
BACK
LIGHT
LINK OUT
DOOR CON
SW1
12-24V
12-24V
POWER
RX
TX
RTS
12-24V
FG TX RX RTS 0V
12-24V
1
2
3
4
5
4
1
2
3
4
5
1
2
3
4
5
CR1
B
A
FRAME
B
A
FRAME
6
6
1
2
3
4
5
1
2
3
4
5
10
+
0VE
X
I
T
B
U
T
D
O
O
R
C
O
N
R
D
R
I
N
H

Table of Contents

Related product manuals