EasyManua.ls Logo

Binder HydroStar BGA 430 - Installing the Spring-Loaded Flange

Default Icon
26 pages
Print Icon
To Next Page IconTo Next Page
To Next Page IconTo Next Page
To Previous Page IconTo Previous Page
To Previous Page IconTo Previous Page
Loading...
BA-EN-HydroStar V3.1 page 9
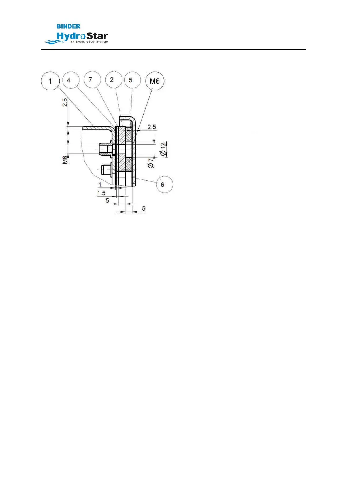
3.4 Installing the spring-loaded flange
1 Wall penetration
2 Flange with spacer 5
4 Silicon sealing
7 Pool liner
M6 Screws for flange
M5 Screws for cover
The contact surfaces of the wall penetration (1) must be free of sand and concrete remnants.
The contact surface must be grease-free by cleaning with an appropriate cleaner.
Remove the paper on one side of the seal (4)
Put the adhesive side of the seal on the frame of the wall penetration. Take care not to cover the
attachment holes.
Put the pool liner (7) on top of the seal and poke holes for the screws.
Put spring-loaded flange in place and attach with the M6 screws.
Observe the specified tightening torque (7 - 10 Nm)!

Related product manuals