Home
Binder
Water System
HydroStar BGA 430
Page 15 (PIEZO Tri; PIEZO Tri Square Installation)
Binder HydroStar BGA 430 - PIEZO Tri; PIEZO Tri Square Installation; Installation Overview
26 pages
Manual
Save Page as PDF
To Next Page
To Next Page
To Previous Page
To Previous Page
Loading...
BA-EN-HydroS
tar V3.1
page 14
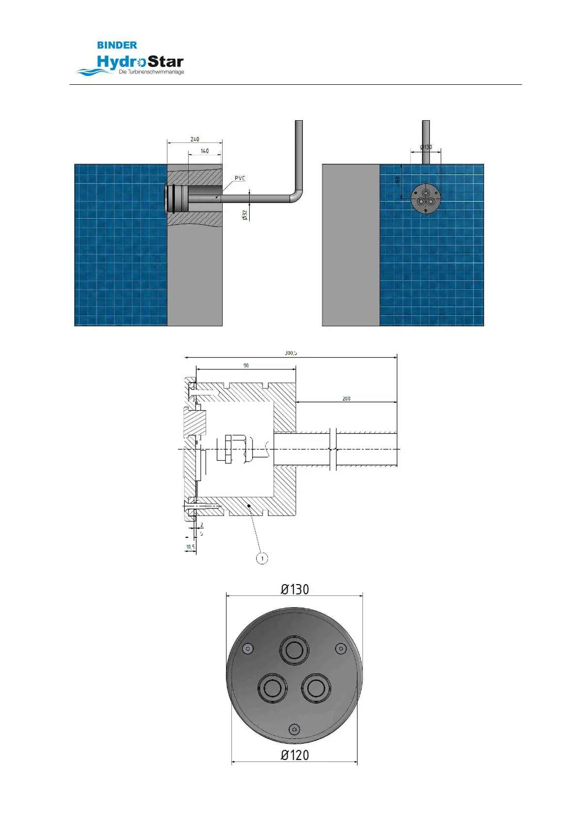
6
PIEZO T
ri / PIE
ZO T
ri Squar
e, inst
alla
tion
PIEZO Tri, ins
tallation in po
ol wall, installatio
n shaft Ø1
20
PIEZO Tri, ins
tallation shaf
t Ø120, cover pla
te Ø130
14
16
Table of Contents
Main Page
1 Manufacturer's Address
2
Table of Contents
2
2 General
3
Important Information
3
Technical Data
3
Information for the User / Target Group
4
Hazard Information
5
Validity
5
Proper Use
6
Operating Conditions
6
General Safety and Application Notes
7
Disposal
7
Scope of Supply
7
3 Hydrostar Installation Shaft
8
Scope of Supply
8
BGA 160/215/275, Installation in Skimmer or Overflow Pools
8
BGA 320/430/550, Installation in Skimmer or Overflow Pools
9
Installing the Spring-Loaded Flange
10
Aligning the Turbine
11
Installation of the Cover Plate
11
4 Turbine Without Hydrostar Installation Shaft
12
Installation Example for a BGA Turbine
12
Dimensions of Turbine BGA 160/320 with Installation Flange
12
Dimensions of Turbine BGA 215/430 with Installation Flange
13
Dimensions of Turbine BGA 275/550 with Installation Flange
13
5 Hydrostar BGA 160/320/275/550 C for Retrofit Installation
14
6 PIEZO Tri / PIEZO Tri Square, Installation
15
7 Control Unit
17
Connection Block Diagram
18
Terminals
18
Motor Connection
19
Extending the Motor Supply Line
19
Connecting the Hydrostar PIEZO Tri
19
Connecting an External Operating Device
20
Instructions for Operation with a Smartphone
20
8 Start-Up
20
Remote Control Operation
20
Switching the Turbine on and off
21
Water Jet Control
21
9 Optional Operation by PIEZO Tri
22
10 Optional Operation Via Touch Display
23
11 End of Operation
24
12 Shutdown / Hibernation
24
13 Maintenance and Repair
24
General
24
Maintenance
24
Repair
24
Troubleshooting
25
14 Changes
25
Related product manuals
Binder HydroStar BGA 215
26 pages
Binder HydroStar BGA 275
26 pages
Binder HydroStar BGA 320
26 pages
Binder HydroStar BGA 160
26 pages