EasyManua.ls Logo

Blaze King 6003 - Wiring Diagrams

Default Icon
34 pages
Print Icon
To Next Page IconTo Next Page
To Next Page IconTo Next Page
To Previous Page IconTo Previous Page
To Previous Page IconTo Previous Page
Loading...
OM6003.PUB Page 23 DATE PRINTED: 4/7/11
© Blaze King Industries Canada Ltd June 2006 Version 1.07SIT
The Contemporary by Blaze King Owners Installation and Operation Manual
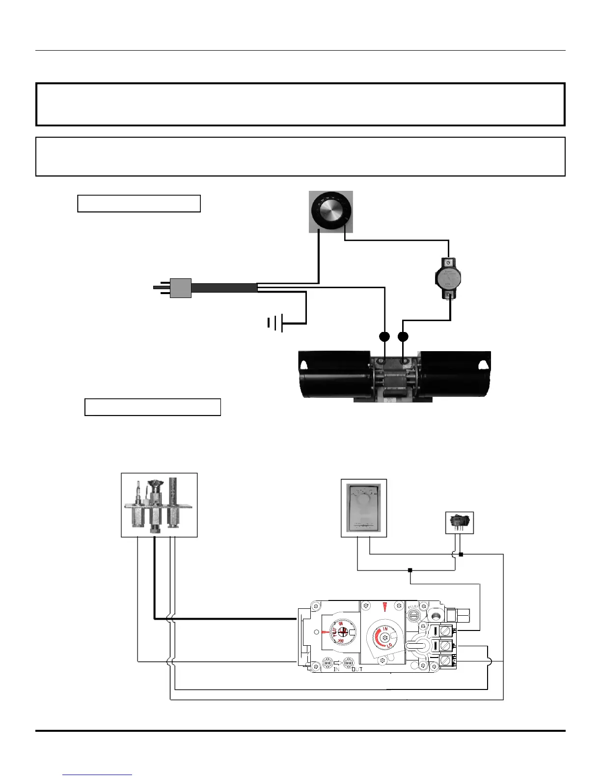
120 VOLT CIRCUIT
Snap Disc
F200
MILLIVOLT CIRCUIT
Cordset
Ground
Blower Control
#0136
Blower #0719B
Observe good wiring practice: Label all wires prior to disconnection when servicing controls. Wiring errors can
be dangerous and cause damage to the unit.
Wiring Diagrams
THIS MOBILE/MANUFACTURED HOME APPROVED APPLIANCE MUST BE GROUNDED TO THE STEEL CHAS-
SIS OF THE HOME. USE AN 8 GAUGE COPPER WIRE AND A SERRATED OR STAR WASHER TO PENETRATE
PAINT OR PROTECTIVE COATING TO ENSURE GROUNDING.
Pilot Assembly #Z6003
Thermocouple
Thermopile
Pilot Gas Line
Thermostat leads or leads to
optional remote thermostat
Thermostat
On/Off Rocker
Switch #0725
TH
THTP
TP
SIT Gas Valve #SIT0820652
TH
TP
TP-TH

Related product manuals