EasyManua.ls Logo

Bosch Rexroth IndraDrive CS - Page 65

Bosch Rexroth IndraDrive CS
153 pages
Print Icon
To Next Page IconTo Next Page
To Next Page IconTo Next Page
To Previous Page IconTo Previous Page
To Previous Page IconTo Previous Page
Loading...
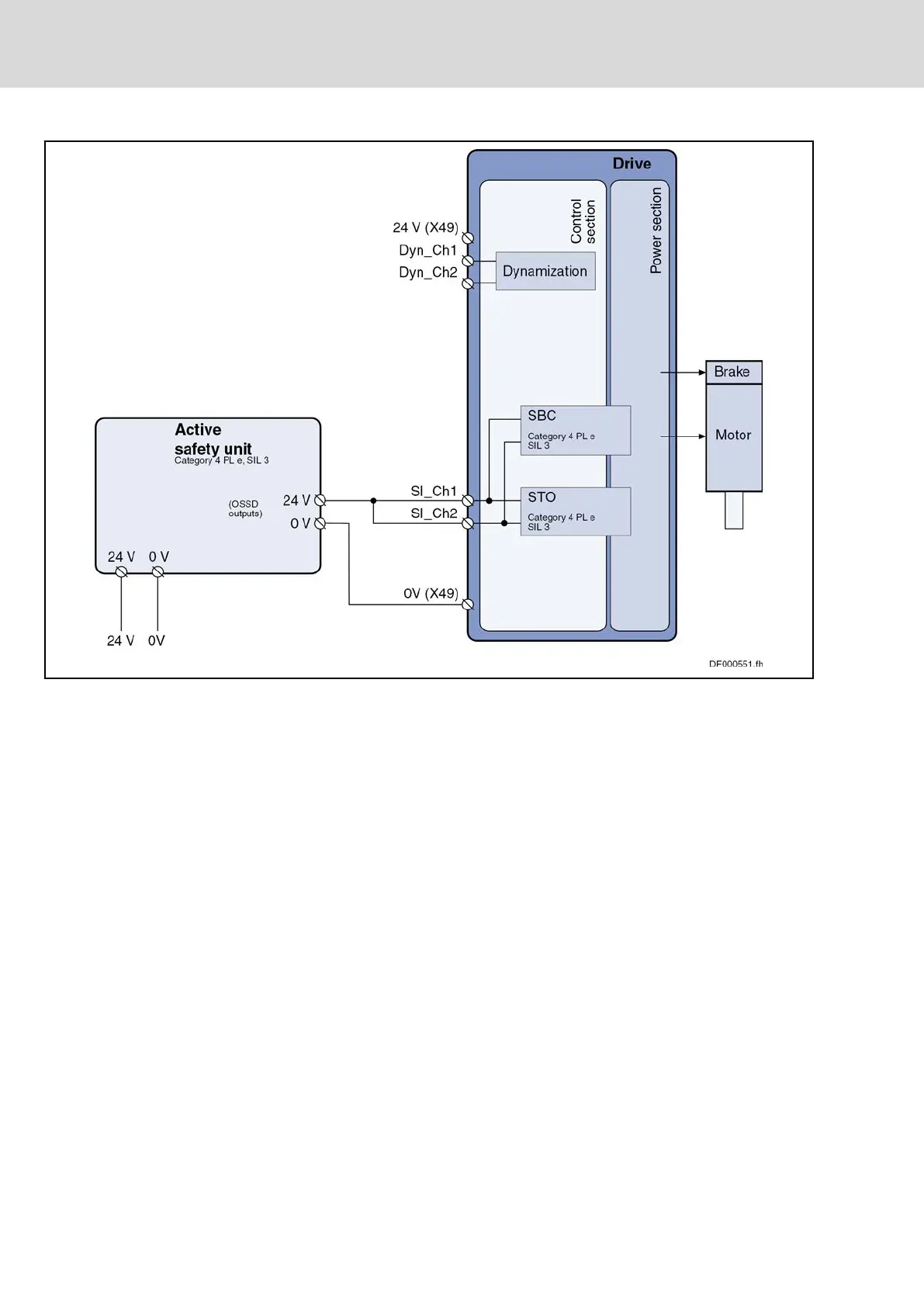
Fig. 7-4: STO function and SBC function (only IndraDrive Cs with "L4") with ac‐
tive safety unit (plus-minus-switching outputs)
Single-channel wiring
When the safety function is selected by means of a safety unit, the short
circuit with 24 V must be detected by the OSSD output.
Bosch Rexroth AG DOK-INDRV*-SI3-**VRS**-AP06-EN-P
Rexroth IndraDrive Integrated Safety Technology "Safe Torque Off" (as of MPx-16)
62/149
Examples of application
LSA Control S.L. www.lsa-control.com comercial@lsa-control.com (+34) 960 62 43 01

Table of Contents

Related product manuals